EasyManua.ls Logo

Vetus VF4 - 4 Repair Data; Cylinder Head; Camshaft Housing

Vetus VF4
80 pages
Print Icon
To Next Page IconTo Next Page
To Next Page IconTo Next Page
To Previous Page IconTo Previous Page
To Previous Page IconTo Previous Page
Loading...
18 402102.01
Service manual VF4 VF5
Repair data4
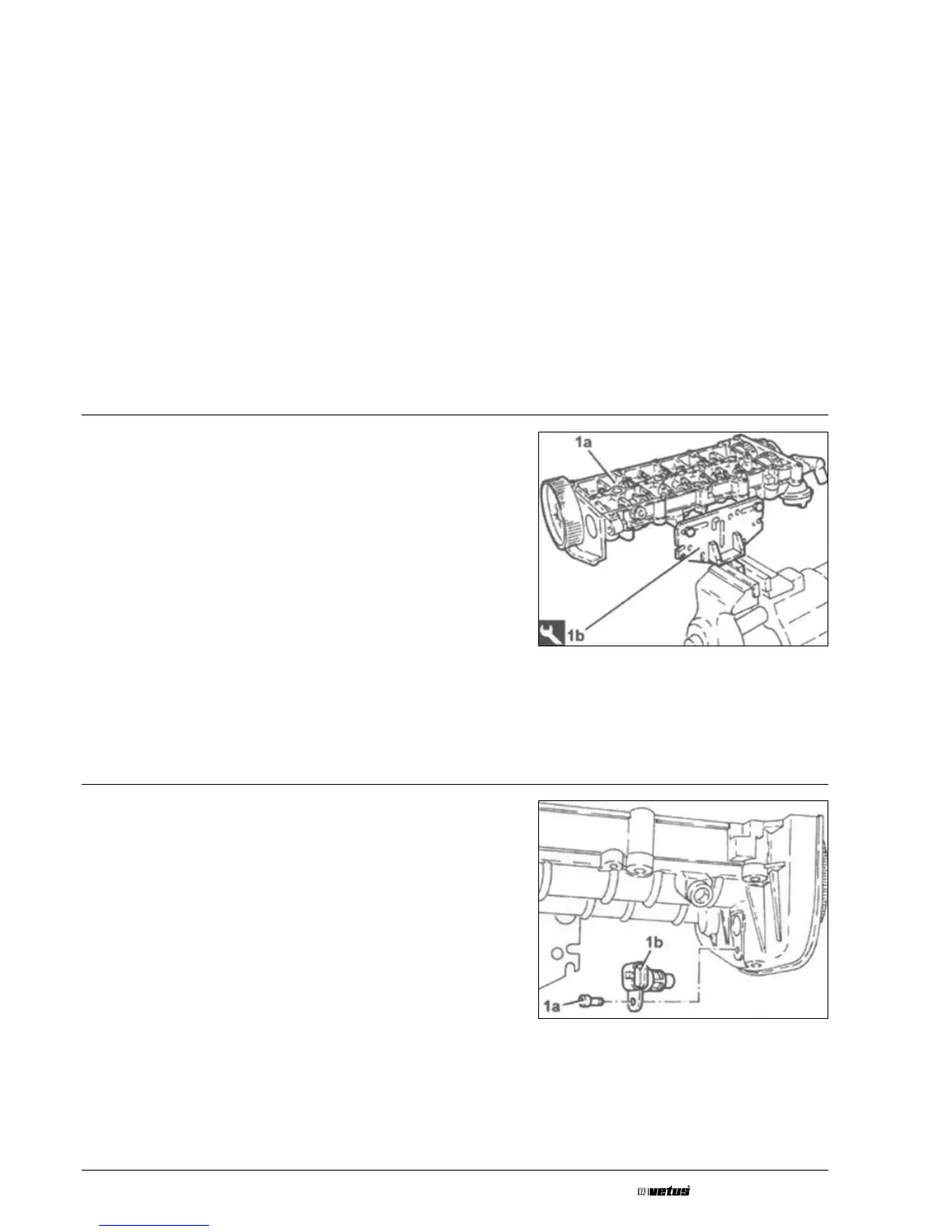
Position the camshaft housing (1 a) in a vice using the tool (1b)
Undo the bolt (1 a) and remove the cam angle sensor (1b).
Camshaft housing4.1.1
Cylinder head4.1

Related product manuals