EasyManua.ls Logo

Viessmann Vitosol100 - Page 59

Viessmann Vitosol100
104 pages
Print Icon
To Next Page IconTo Next Page
To Next Page IconTo Next Page
To Previous Page IconTo Previous Page
To Previous Page IconTo Previous Page
Loading...
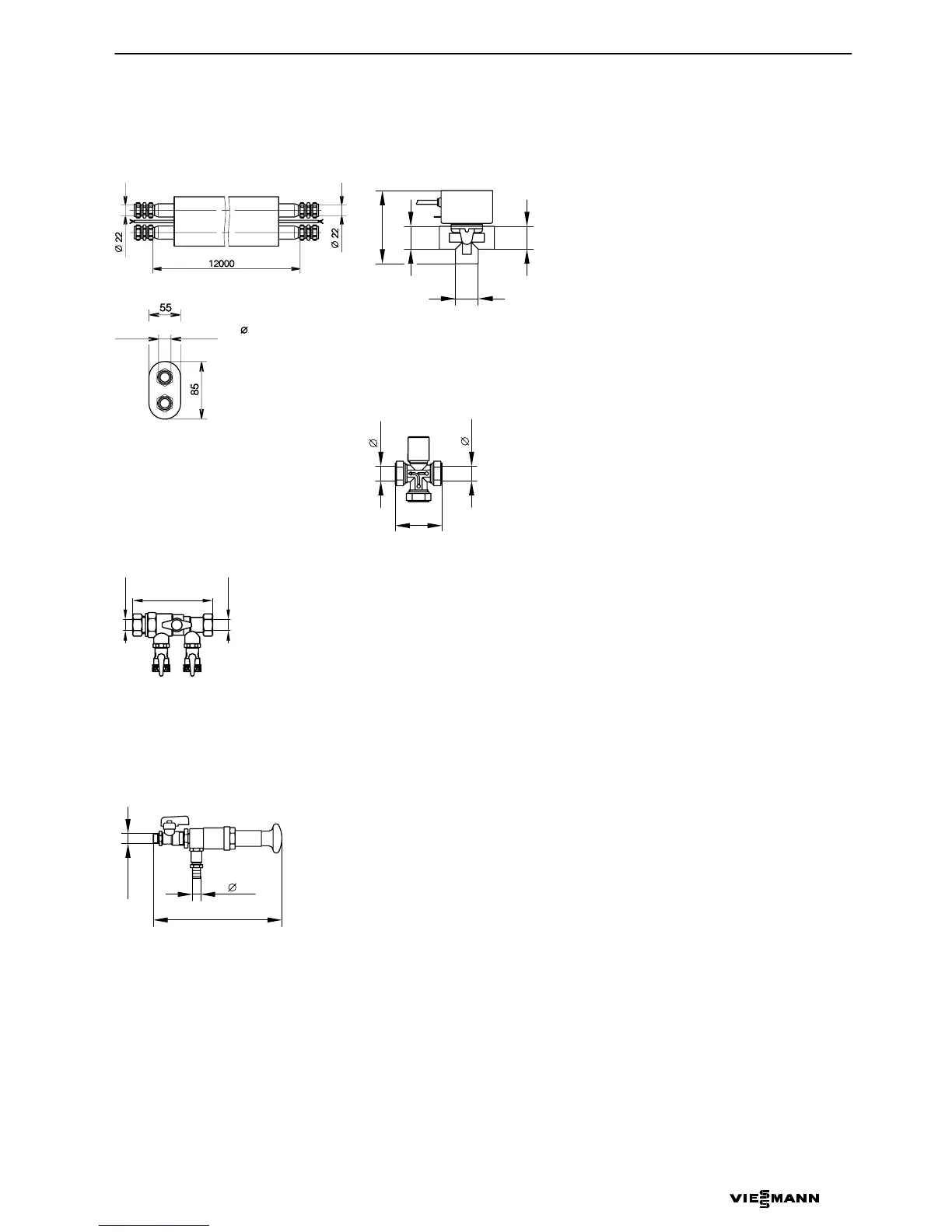
3.4Accessories
59
VITOSOL
Solar flow and return pipe
Flexible stainless steel corrugated pipes
with insulation, locking ring connection
and sensor lead.
Basic kit: 12 m
Extension kit: 6 m.
Filling valve
For flushing, filling and draining the
system.
With locking ring connection.
Solar manual filling pump
For topping−up and raising the pressure.
Threeway diverter valve
For systems with central heating backup.
With electric drive.
Thermostatic mixing valve
For limiting the domestic hot water
temperature.
Setting range 35 to 65ºC.
With locking ring connection.
5822135 GB
21.2Corrugated pipe outer
120
Û 22
Û 22
220
15
R ½"
BA
AB
R1"
R1"
R1"
125
22
22
80

Table of Contents

Related product manuals