EasyManua.ls Logo

Viessmann Vitosol100 - Accessories

Viessmann Vitosol100
104 pages
Print Icon
To Next Page IconTo Next Page
To Next Page IconTo Next Page
To Previous Page IconTo Previous Page
To Previous Page IconTo Previous Page
Loading...
3.4Accessories
58
VITOSOL
3.4 Accessories
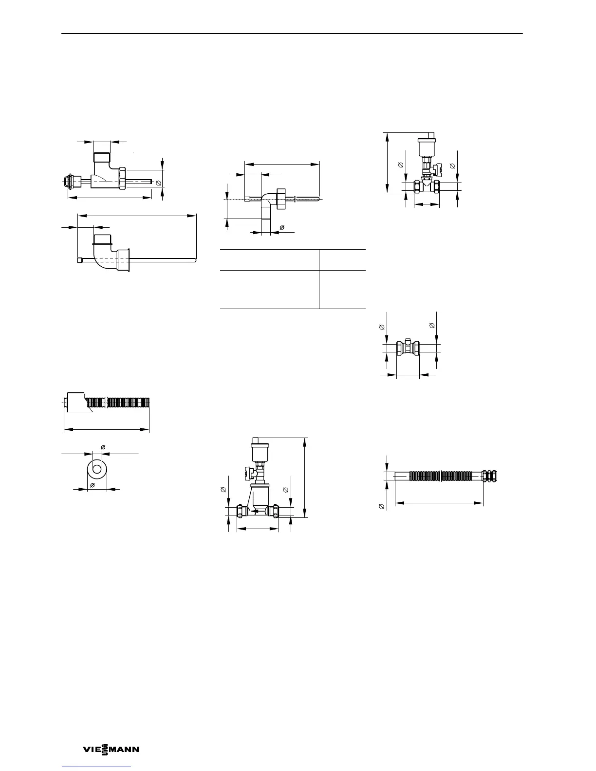
Threaded elbow
For the installation of the cylinder
temperature sensor into the cylinder
return.
Casing for water connections
Connection pipe
For connection between Solar−Divicon
and the DHW cylinder.
Stainless steel corrugated pipe with
thermal insulation.
Installation kit for connection pipe
comprising
H 2 threaded elbows (1 elbow with,
1 elbow without sensor well)
DHW cylinder
a
mm
Vitocell−B 100
Vitocell−B 300
Vitocell 333
Vitocell 353
190
242
242
242
H 2 locking ring screw connections
H Gaskets and pipe clamps
Note
When using the assembly kit, the
threaded elbows for installing the
cylinder temperature sensor into the
return of the cylinder are not required.
Air separator
For installation in the flow pipe of the
solar circuit, preferably upstream of the
inlet to the DHW cylinder.
With automatic air vent valve, shut−off
valve and locking ring connection.
Quick−acting air vent valve (with tee)
For installation at the highest point of the
system.
With shut−off valve and locking ring
connection.
Manual air vent valve (locking ring
connection with air vent valve)
For installation at the highest point of the
system.
With locking ring connection.
Connection pipe
Stainless steel corrugated pipe with
thermal insulation and clamping ring
fitting.
5822135 GB
290
R1
40
38
160 (220)
"
24000
21.2
Corrugated pipe
58
outer
40
a
50
22
111
22
22
approx. 225
22
22
approx. 166
65
22
22
62
22
1000

Table of Contents

Related product manuals