EasyManua.ls Logo

Viessmann VR2 Series - Special Applications

Viessmann VR2 Series
28 pages
Print Icon
To Next Page IconTo Next Page
To Next Page IconTo Next Page
To Previous Page IconTo Previous Page
To Previous Page IconTo Previous Page
Loading...
Connections
24
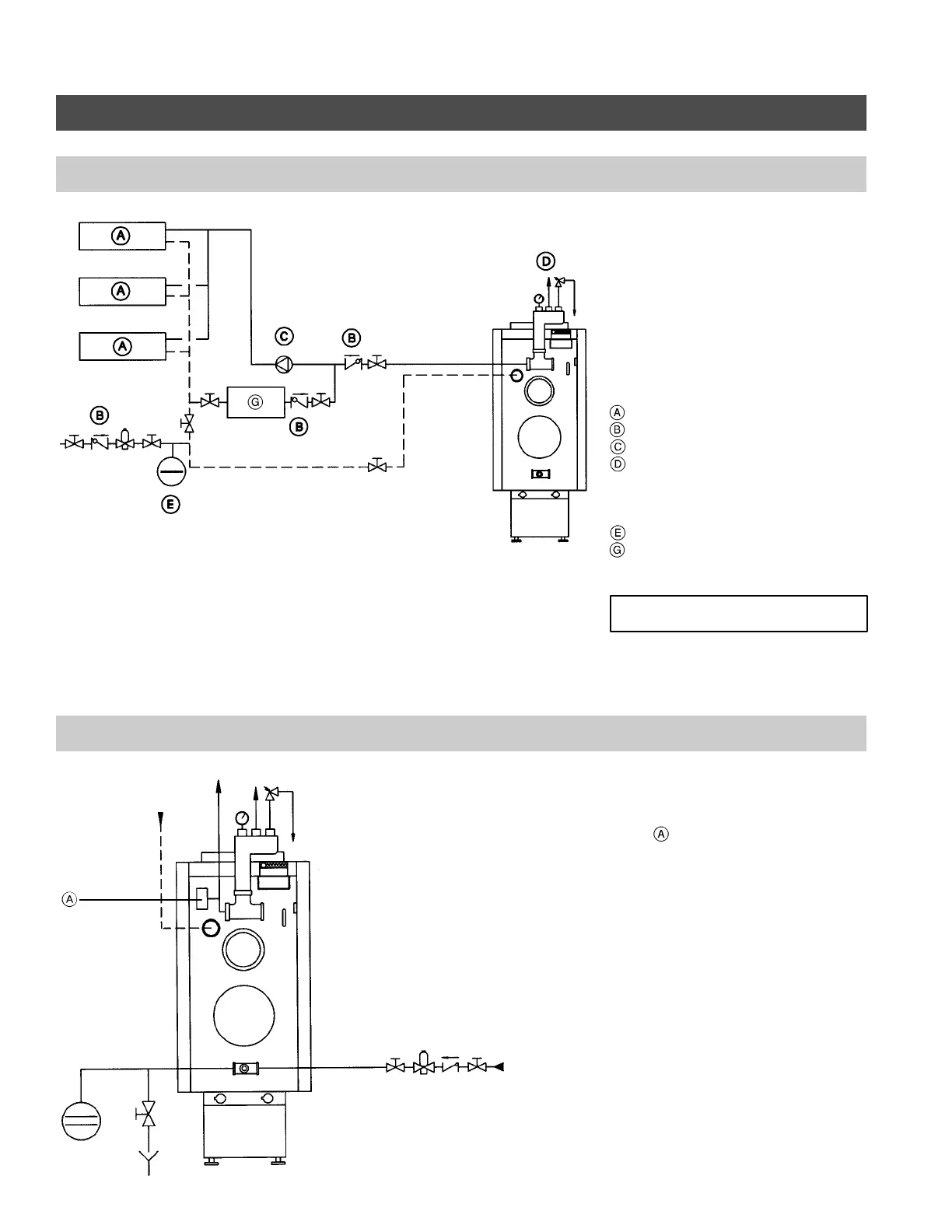
Special Applications
Boiler in a heating/cooling application
Cooling seas on starts:
close valve v1 and open valve v2
Heating season starts :
close valve v2 and open valve v1
Heating/Cooling unit
Spring-loaded flow check valve
Circulation pump
Safety header
with automatic air vent,
pressure relief valve , and
pressure gage
Expansion tank
Water chiller
We strongly suggest that the valves
pictured above be labelled v1” and
v2.
Low water cut-off
A low water cut-off may be required by
local codes. If boiler is installed above
radiation level, a low water cut-off
device
of approved type (field
supplied) must be installed in all
instances. Do not install an isolation
valve between boiler and low water
cut-off.
5285 838 v2.1
v1
v2
IMPORTANT

Other manuals for Viessmann VR2 Series

Related product manuals