EasyManua.ls Logo

Viking DSOE305T - Wiring and Schematics; Wiring Diagram - DSOE305 T

Viking DSOE305T
67 pages
Print Icon
To Next Page IconTo Next Page
To Next Page IconTo Next Page
To Previous Page IconTo Previous Page
To Previous Page IconTo Previous Page
Loading...
Wiring and Schematics
© 2010 Viking Preferred Service 66
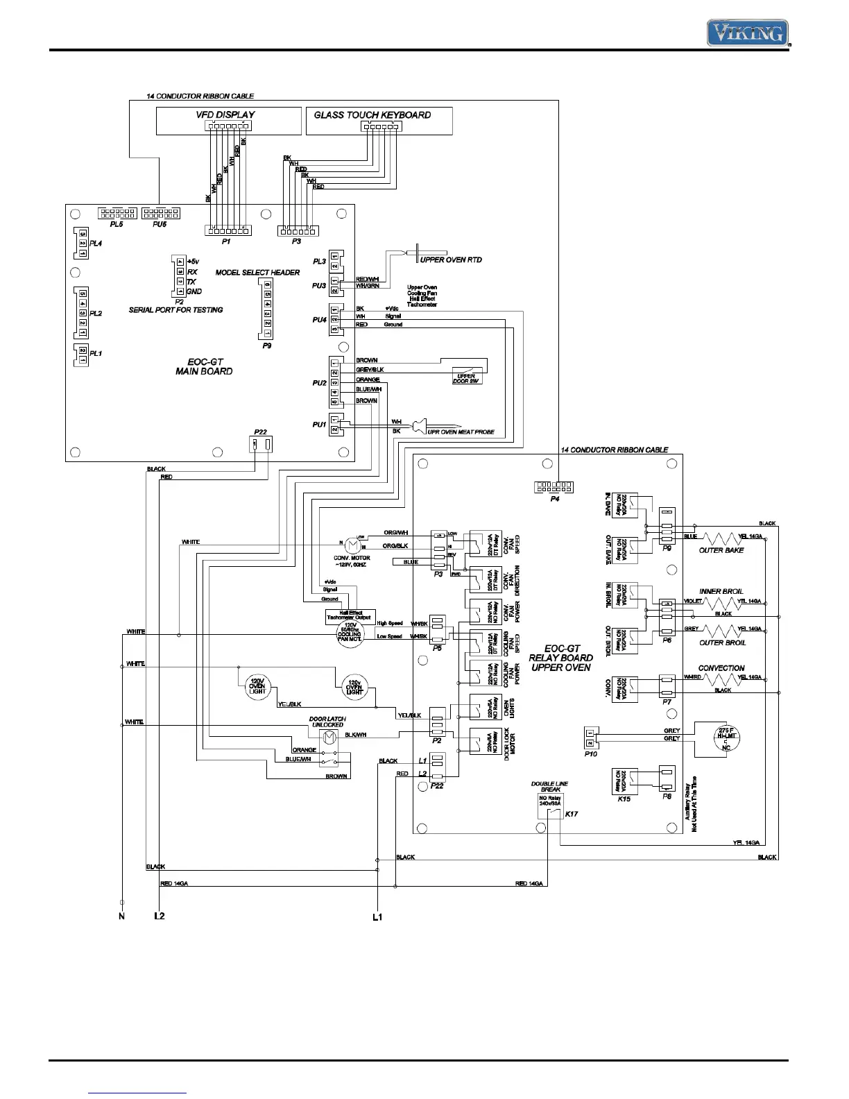
Wiring Diagram – DSOE305T

Table of Contents

Related product manuals