EasyManua.ls Logo

Viking DSOE305T - Wiring Diagram - DDOE305 T

Viking DSOE305T
67 pages
Print Icon
To Previous Page IconTo Previous Page
To Previous Page IconTo Previous Page
Loading...
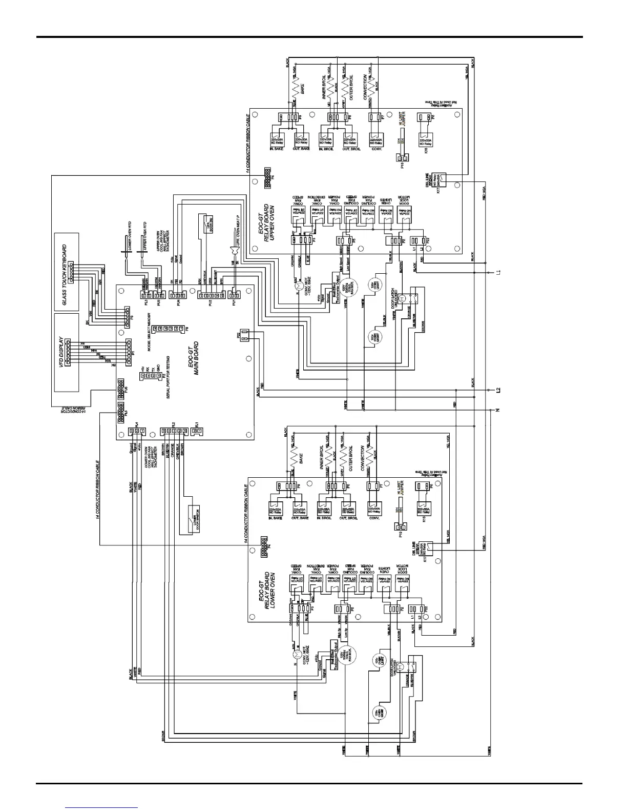
Wiring and Schematics
© 2010 Viking Preferred Service 67
Wiring Diagram – DDOE305T

Table of Contents

Related product manuals