EasyManua.ls Logo

Viking VDSC536 - Motor Wiring Diagrams

Viking VDSC536
53 pages
Print Icon
To Next Page IconTo Next Page
To Next Page IconTo Next Page
To Previous Page IconTo Previous Page
To Previous Page IconTo Previous Page
Loading...
Wiring Diagrams
©2009 Viking Preferred Service 49
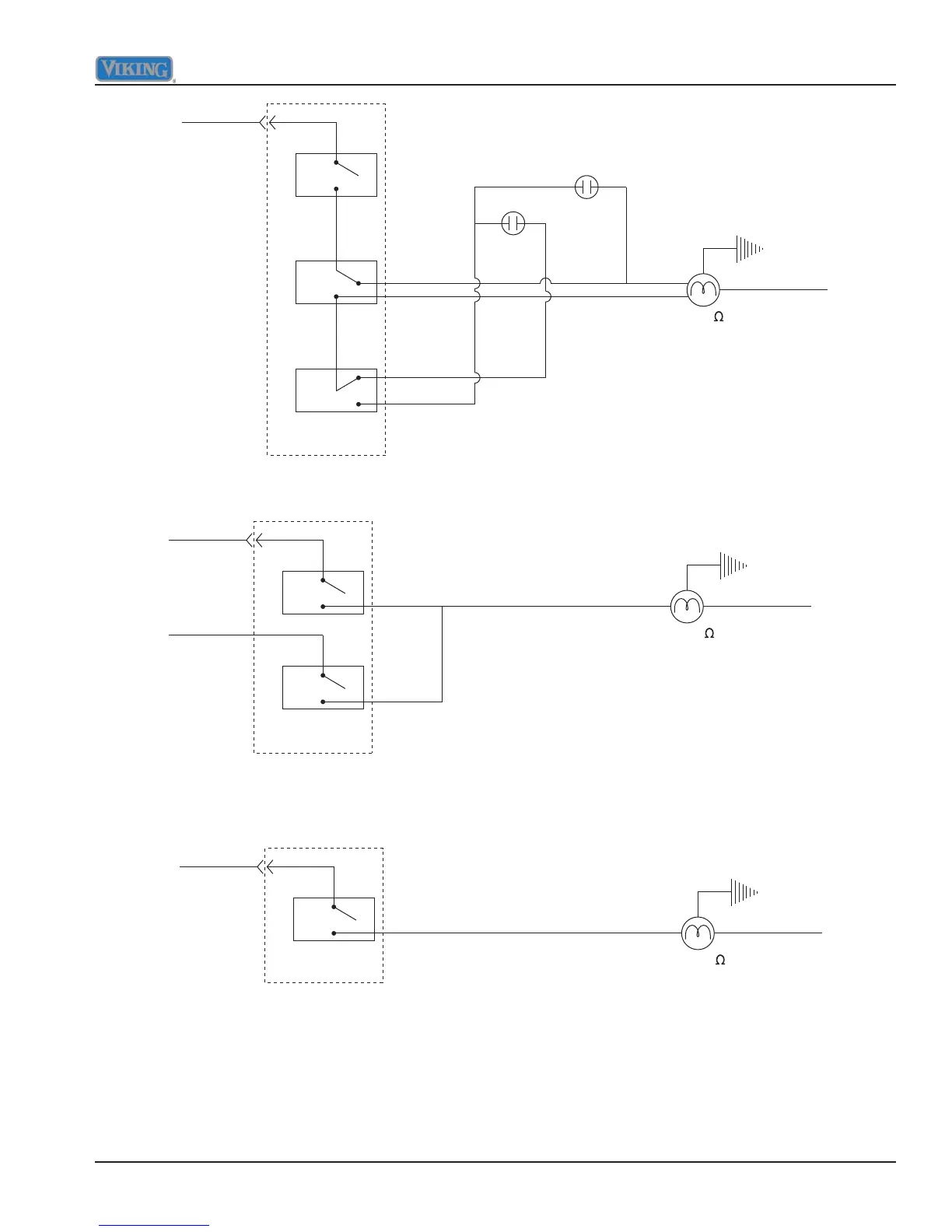
CONVECTION MOTOR
100
P1
K5
K6
BLUE
CAP
2.0 ufd
CAP
2.0 ufd
BROWN
ORANGE
GREY
GREEN
K7
BOARD
CIRCUIT
CONVECTION
FAN
POWER RELAY
CONVECTION
FAN
DIRECTION
RELAY
CONVECTION
FAN
SPEED RELAY
L1
L2
RED
COOLING BLOWER MOTOR
18.2
P1
K8
BOARD
CIRCUIT
L1
N
RED
WHITE
WHITE
WHITE
L1
RED
K9
DOOR LATCH MOTOR
12.1 k
P1
K3
BOARD
CIRCUIT
L1
L2
RED
WHITE BLACK

Table of Contents

Other manuals for Viking VDSC536

Related product manuals