EasyManua.ls Logo

Viking VGSC548 - Page 49

Viking VGSC548
52 pages
Print Icon
To Next Page IconTo Next Page
To Next Page IconTo Next Page
To Previous Page IconTo Previous Page
To Previous Page IconTo Previous Page
Loading...
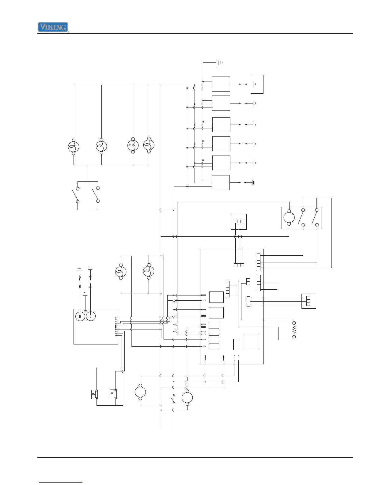
Wiring Diagrams
©2010 Viking Preferred Service 49
T/STAT
RTD
SELECTOR
DOOR LOCK
SECOND BOARD
L1
NEUTRAL
OVEN
LT
CLEAN
LT
1
1
1
1
2
2
2
2
3
3
3
3
21
445
5
CONV
MOTOR
LOCK
MOTOR
BAKE
BROIL
12
3
4
5
GRD
L
BAKE
BROIL
BROIL VALVE
BAKE VALVE
NEUTRAL
VALVE COMMON
BAKE
BROIL
3
21
1
23
M
6 Pos
Selector Switch
Thermostat
M
COOLING
FAN
BAKE ELECTRODE
BROIL ELECTRODE
GRD
GRD
GRD
BAKE SOLENOID
VALVE
BROIL SOLENOID
VALVE
M
CONVECTION
FAN MOTOR
CLEAN IND.
LIGHT
OVEN IND.
LIGHT
CLEAN IND.
LIGHT
OVEN IND.
LIGHT
Door Light Switch
Light Switch
MODULE
SINGLE
POINT
SPARK
MODULE
SINGLE
POINT
SPARK
MODULE
SINGLE
POINT
SPARK
MODULE
SINGLE
POINT
SPARK
GRD
SPARK ELECTRODES
Neutral
Line
black
black
black
white / red
violet
blue
white/red
white
white
white
white/black
yellow
brown
black
violet
black
blue
black
white
white
white
white
violet
black
gray
white
white
white
white
white
white
white
black
black
white/black
white
black
white
red
red
white
black
R
T
D
g
r
e
e
n
r
e
d
red
r
e
d
r
e
d
r
e
d
g
r
e
e
n
b
l
a
c
k
w
h
i
t
e
g
r
e
e
n
o
r
a
n
g
e
b
l
u
e
b
l
a
c
k
y
e
l
l
o
w
w
h
i
t
e
HIGH
LIMIT
ORANGE
DSI BOARD
CONTROL BOARD
black
gray
violet
black / white
y
e
l
l
o
w
MODULE
SINGLE
POINT
SPARK
MODULE
SINGLE
POINT
SPARK
6B ONLY
VGSC536-6B/4Q Gas Self-Clean Range

Table of Contents

Related product manuals