EasyManua.ls Logo

VOGELS VGI - System Description and Installation; 1.1 Introduction

VOGELS VGI
44 pages
Print Icon
To Next Page IconTo Next Page
To Next Page IconTo Next Page
To Previous Page IconTo Previous Page
To Previous Page IconTo Previous Page
Loading...
Vogels Autogas Systems VGI Hardware Manual System Description and Installation
VGI Technical Manual 2014-01-14.pdf Pagina 4 van 44
1 System description and installation:
1.1 Introduction
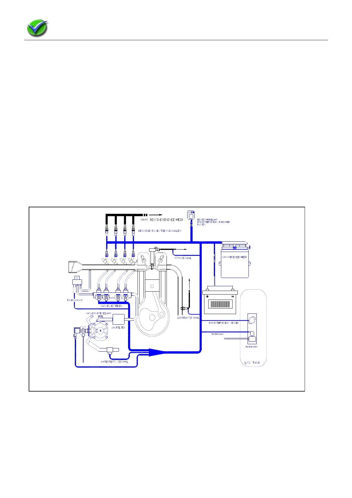
The VGI gas system is one of the most modern auto gas systems momentarily available in the market. It concerns
as the name already indicates a sequential slave injection system, which means that for each cylinder the right
amount of gas is being injected.
The system uses the petrol-injector signals as main inlet signal to determine the right amount of gas to be injected
for each cylinder of the engine on that particular moment.
The system normally starts on petrol and when the engine is warm enough, the fuel switch in gas mode, the gas
ECU (Electronic Control Unit) will pick the right moment to switch over to gas.
As first the solenoids on the tank and pressure regulator will open, so LPG can enter the pressure regulator. The
pressure will be regulated at approximately 1 bar overpressure for the rest of the gas injection system. The gas
flows from the pressure regulator through a dry gas filter the injector rail to feed each single gas injector. The gas
filter will block particulars and avoid them polluting the gas injectors. From the switch-over moment (petrol to gas)
the petrol injector signals will be interrupted by the gas-ECU and routed to its micro processor to calculate the gas
injection signals.
Using the petrol injection signal to determine the gas injection signal is called the slave system principle. Moreover
the VGI system works according the “same cylinder” principle, which means that the gas injection signal is based
upon the petrol injection signal of the very same cylinder and rotation of the engine. So no delay which can cause
any control frequency degreasing will occur. So is the gas injection signal for cylindernr. 1 based upon the petrol
injection signal of petrol injectornr. 1 of that very same moment. Each gas injector will inject the same amount of
gas in fuel quantity as it would do on petrol.
Petrol and LPG are two very different fuels and have totally different properties which need to be taken in
consideration for the “translation” of the petrol to gas injection signal. In transient conditions and during the
warming up phase, compensation strategies need to be activated to correct the differences between the two fuels.
To be able to effectuate these compensation strategies, the system uses other inlet signals such as gas
temperature, gas pressure and water temperature. Besides the driving of the gas injectors the gas ECU has also
other functions, such as measuring and indicating the fuel level, driving the solenoids on the tank and pressure
regulator and switch over from one fuel to another. When the car has run out of LPG the system automatically
switches back to petrol and warns the driver with an acoustic sound.
During the installation and maintenance of the system it is possible to check its functioning and check its
diagnostics with the interface loom and interface software installed on a laptop or other PC.
Image is copyright protected by Luccio Engineering