EasyManua.ls Logo

Volvo 819 E - Fuel Injection System Control Unit

Volvo 819 E
108 pages
Print Icon
To Next Page IconTo Next Page
To Next Page IconTo Next Page
To Previous Page IconTo Previous Page
To Previous Page IconTo Previous Page
Loading...
Group
28
Ignition
sys
t
ems
Des
ign
and
fun
ct
ion
E
ngine
load
in
f
ormation
1
2
\.----t-rT
4
147093
F
uel
injection
system
control
unit
(LH-2.1.
LH-2.2.
LH-2.4)
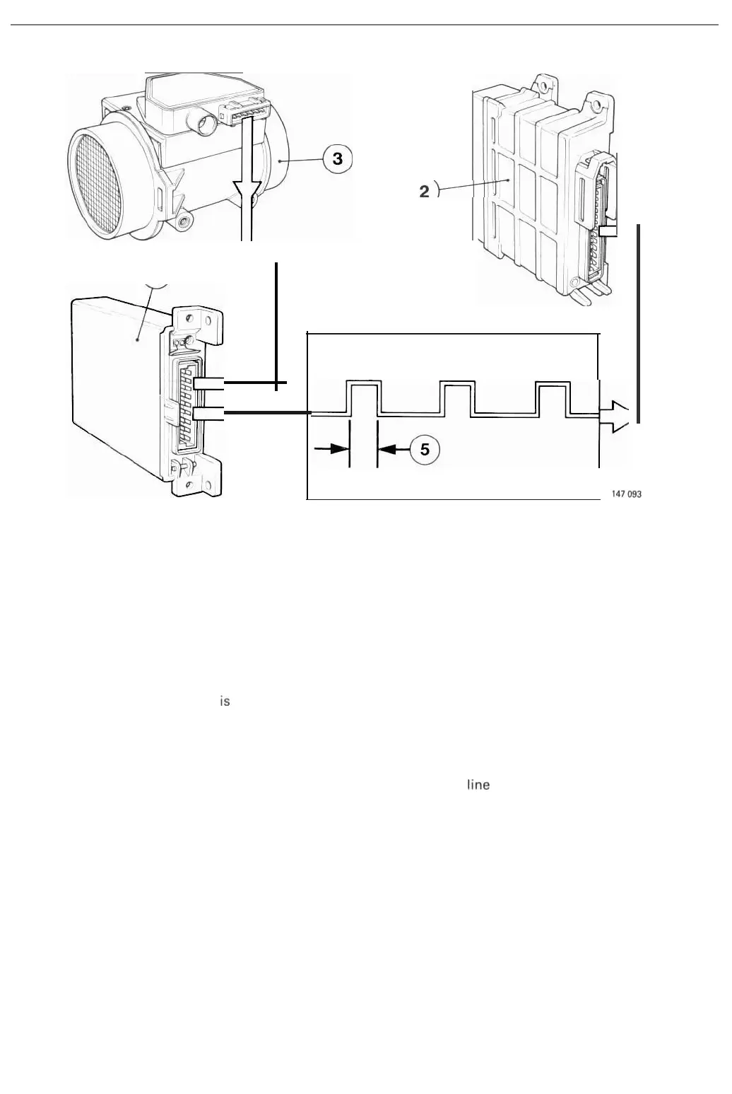
The fuel syst
em
con
trol
unit
(1j
supplies
the
ignition
system
control
uni
t (2)
with
info
rmat
ion
on
engine
load.
Th
is
based
on
signals
from
an
air
mass
meter
(3),
th
e
quan
t
ity
of
induc
t
ion
air
being
used
as a
measure
of
th
e l
oad.
Signal
The
air
mass
mete
r
con
t
inuously
measures
the
quant
ity
of
air
drawn
into
the
engine
and
delivers
a
variable
signa
l
to
the
injection
system
control
uni
t, in
which
the
signal
is
conve
rted into
digital
fo
rm
and
used
to
compu
te
th
e
quantity
of
fuel
to
be
injec
ted.
The
signal
is
also
relayed
to
the
ignition
syst
em
cont
rol
uni
t.
The
digital
signal
co
nsists
of a
series of
current
pulses
(4)
of
a
durati
on
(5)
proportional
to
the
load.
Advantages
This
type
of
load
info
r
ma
t
ion
is
used
in E2-K
systems
with
LH-Jetronic
fuel
injec
ti
on
and
Rex-I
systems
w i
th
th
e Regi-
na
injec
ti
on
system,
and
is
more
accurate
than
that
supplied
by
a
vacuum
line
fr
om
the
intake
manif
old.
In
addition,
the
air
mass
meter
responds
more
quickly
and is
no
t
subject
to
measurement
e
rr
ors caused
by
variations
in
air
den
-
sity. (In o
ther
words,
it is
independent
of
air
temperature
and
heigh
t
above
sea leveL)
Should the fuel system control unit fail. for any reason. to supply
th
e ignition system control unit with a load signal, the latter will
compute the timing on the basis that max. load conditions prevail when the throttle
has
opened.
26

Related product manuals