EasyManua.ls Logo

Volvo 819 E - Compensation Functions

Volvo 819 E
108 pages
Print Icon
To Next Page IconTo Next Page
To Next Page IconTo Next Page
To Previous Page IconTo Previous Page
To Previous Page IconTo Previous Page
Loading...
Group
28
Igni
r
ion
sysrems
Design
and
function
-
Compensation
functions
Compensation
functions
c
F-::::
I?
h
Il
"'"
~
©
1/
B
A
Theory
of
knock
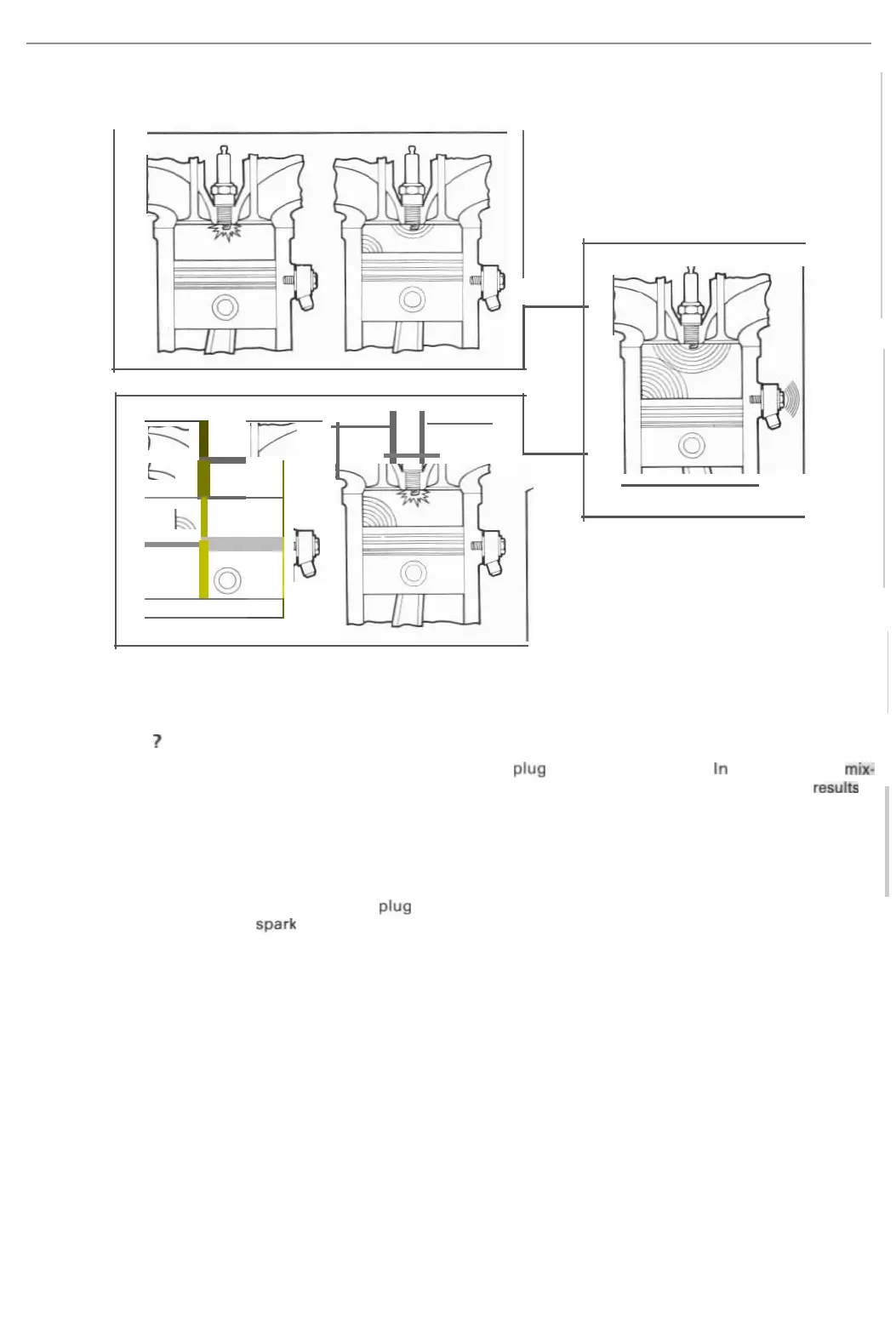
Knock is caused
by
de
t
onation
of
the
fuel/air
mixture
in
the
combustion
chamber.
What
is
knock
7
Detonation
may
occur
either
aher
las in A
lar
before (as in
51
the
plug
has
delivered
a spark. In
either
case, the mix-
ture
is
ignited
at
two
or
more
points
in
the
chamber
and
combustion
progresses
from
these
po
i
nts
Ie).
Th
is results in
the
simultaneous
propagat
io
n
of
two
or
more
flame
fronts
, causing
abnormally
rap
id
and
uncontrolled
combustion,
accompanied
by
an
explosive
rise in pressure
which
produces
the
typical,
metallic
sound
known
as
'pinking' or
'knock'.
'
Compression
'
knock
A. In
the
case in
wh
ich
knock
occurs
aher
the
plug
has
delivered
a spark.
detonation
is caused
by
the
fact that the
flame
front
ini
tiated
by
the
spark. compresses
and
heats
the
unignited
m
ix
ture
to
the
point
at
which
detonation
is
unavo
i
dable.
A
relatively
high
eng
ine
load
is required
to
produce
this
type
of
knock.
'
Glow
ignition
'
knock
B. In
the
type
of knock
which
occurs
before
the
plug
has delivered a spark,
detonation
of
the
mixture
may
be
due to
incandescent
carbon
part
icles
or
gasket edges, fouled spark
plugs
or
other
areas
of
the
combustion
chamber
which
absorb
heat
more
easily. IThis
phenomenon
is
sometimes
known
as
'g
low
ignition'.)
Effects
of
knock
C.
The
abnormal
pressure rise
which
accompanies
knock subjects
the
piston,
gudgeon
pin. co
nnecting
rod, cr
ank-
shah
and
bear
ings
to
abnormally
high
mechanical stresses. Furthe
rmo
re,
the
t
empera
t
ure
ri
se
caused by th e phe-
nomenon
is so
high
that
the
cylinder
wall.
piston
and
spark
plug
may
easily
suffer
damage
,
while
the
energy con-
tent
of
the
fuel is
poorly
utilized.
The
unusual
engine
resonance caused
by
knock is detected
by
a knock sensor
mounted
on
the
cylinder
block
.
The
sensor
signal is
transmitted
to
the
control
unit
.
28

Related product manuals