EasyManua.ls Logo

Volvo 819 E - Page 62

Volvo 819 E
108 pages
Print Icon
To Next Page IconTo Next Page
To Next Page IconTo Next Page
To Previous Page IconTo Previous Page
To Previous Page IconTo Previous Page
Loading...
Group
28
Ignition
systems
Design
and
function
-
System
descriptions
L-
+.--_+-
__
-="---\.
I-
-------l
"
,
b
,.B
,
198
84
86
,
1.7121
REX-I
Control un
it
connections
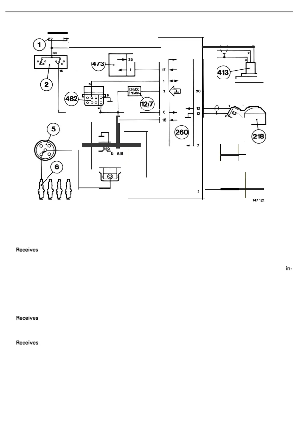
1.
Transmits
signals
to
diagnosti
c
un
it (482)
when
fault tracing. Signals are
transm
i
ned
by
diagnosti
c
un
it
when
ap-
propriate
diagnost
ic
funct
ions are selected.
2.
Receives
engine
temperature
signal
from
temperature
sensor (
84
)
for
tim
ing
compensation
. if required.
Contro
l
unit
supplies
one
of
NTC resistors in sensor
with
constant
voltage
and measures resulting
voltage
level in-
ternally
.
3.
Grounds
connection
when
certain types
of
fault are present
in
system.
Ground
i
ng
closes circ
uit
to
combined
in
-
strument,
illuminating
'Check
engine'
warning
lamp
(1217)
.
4. Spare.
5.
Receives
supply
from
battery
(1)
for
self-
diagnostic
program
memory.
6.
Receives
supply
from
battery (1) across
ignition
switch (
2)
terminal
15
.
7. Receives signal
from
throttle
switch
(198)
when
throttle
is
fully
closed. Control
unit
respond
by
selecting
timing
curve
which
is speed-
dependent
only
.
8. Receives
engine
load
si
gnal
from
Regina
control
un
it (473) for c
omputat
i
on
of
timing
.
10
. Receives engine speed and crankshaft
pos
i
tion
signals
from
spee
d/
position
pick-
up
(413)
for
computat
i
on
of
tim
-
ing
.
11
. Connection
for
screen of lead
from
speed/position
pick
-
up
(413
).
12
.
Grounds
screen
of
lead
from
knock sensor (218
).
13
. Receives signal
from
kn
oc
k
sensor
(218)
for
retardation
of
timi
ng
in
cyli
nder
affected
by
knock.
14
. Spare.
15
. Spare.
6'

Related product manuals