EasyManua.ls Logo

Volvo V50 2012 - Rain Sensor

Volvo V50 2012
348 pages
Print Icon
To Next Page IconTo Next Page
To Next Page IconTo Next Page
To Previous Page IconTo Previous Page
To Previous Page IconTo Previous Page
Loading...
TP 39212202 C30/S40 (04-)/V50/C70 (06-) 2012 100
DIM
9
10
5/1
30+
1
2
F3
SWM
3/254
C:9
C:8
CAN
CAN
15/31
2
F26
1
30
15
50 XS
5
B:3
B:7
RD
5
RD
3/1
64/111
1
2
F69
2/193
1
2
5
4
7/149
WH-GN
WH-GN
OG-BK
2
3
1
CEM
31/84
CAN
BK
BK
3 LHD
31/110
RSM
LIN
63/12
2 RHD
1 LHD
4 RHD
G:3 A:14
BK
63/214
63/14
C70
BK
H:7
H:23
D:10
R18
4/56
E:20
GN-HW
RD-OG
WH-GN
A:17
LIN
6/1
WMM
LIN
63/108
BKBK
3
31/10
BK
63/25
A:28
BK
M
I03057
WH-GN
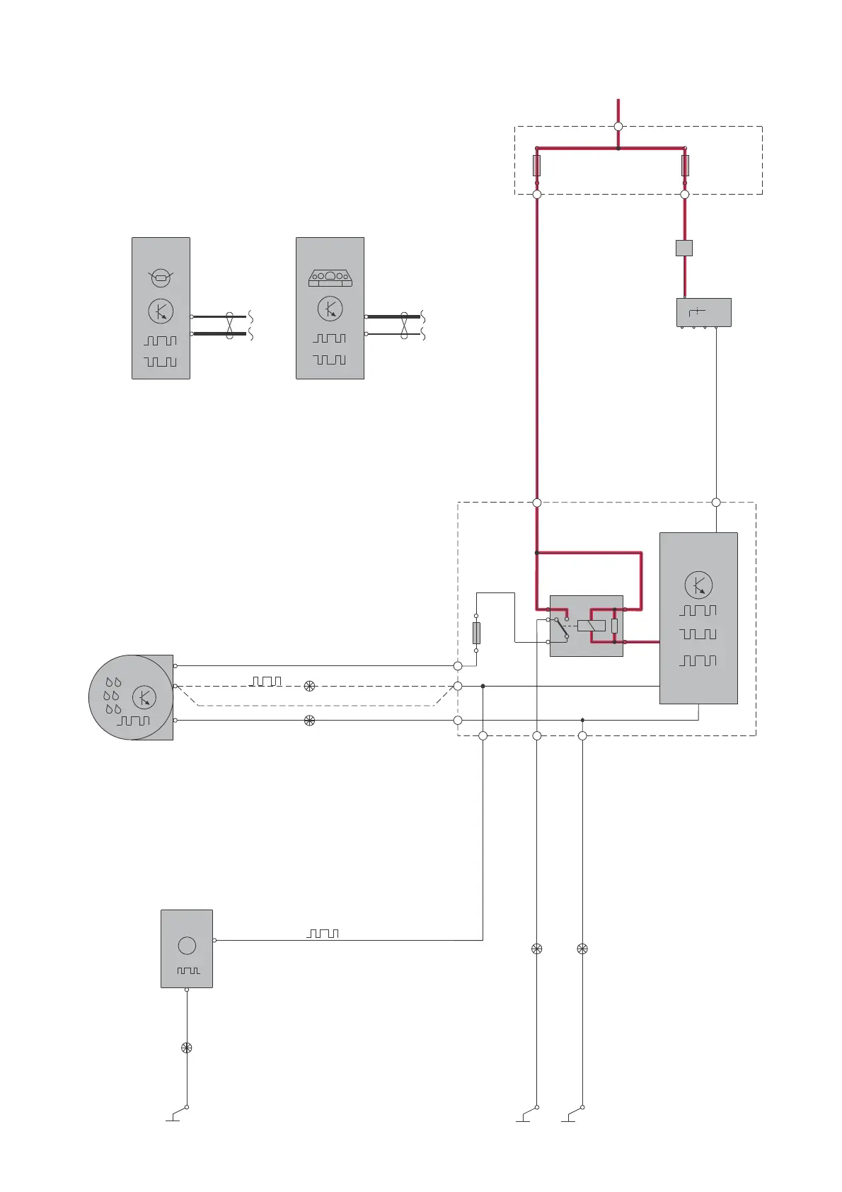
Group 36 Additional electrical equipment
Rain sensor

Table of Contents

Related product manuals