EasyManua.ls Logo

Volvo V50 2012 - Instrument and Control Illumination

Volvo V50 2012
348 pages
Print Icon
To Next Page IconTo Next Page
To Next Page IconTo Next Page
To Previous Page IconTo Previous Page
To Previous Page IconTo Previous Page
Loading...
TP 39212202 C30/S40 (04-)/V50/C70 (06-) 2012 91
CAN
63/6
9
10
B:9
B:8
F:15
F:30
30+
1
CEM
4/56
5/1
DIM
31/631/10
2
F4
2
F18
2
F46
A:1
D:4
1
1
15/31
B:21
RD-BU
RD-YE
A:38
64/25G
2
5
1
BK
BK
12
9
11
63/25
BK
BK-RD
OG-BU
BK
OG-BU
OG-BU
OG-BU
E:21
E:22
LIN
3/128
LDM
LIN
3/126
DDM
LIN
3/129
RDM
A:13
LIN
3/127
PDM
R1
2/89
A:3
A:12
A:3
A:12
A:13
66
3
CAN
CAN
63/139
64/10B
64/70
OG
OG
OG
13
LIN
CAN
OPEN ROOF
CLOSE ROOF
GND
3/25
BK
BK
1
4
63/86B
C70
C70
C70
C70
C70
C70
C70
3/111
0
1
2
SUPPLY
POS 0
POS 1
POS 2
FRONT FOG
REAR FOG
FUEL LID
RF IND.
HEADL LEV
PWR
FF IND.
REOST LEV
ILLUM
GND
LIGHTS ON
FF = FRONT FOG
RF = REAR FOG
G029940
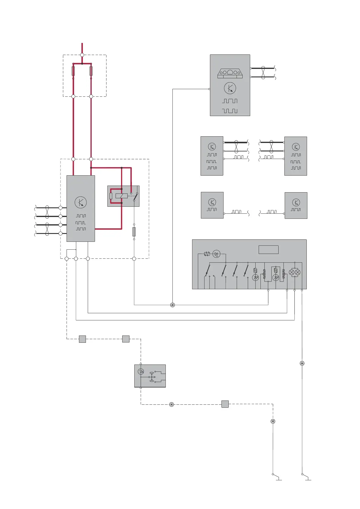
Group 35 Lighting
Instrument and control illumination

Table of Contents

Related product manuals