EasyManua.ls Logo

Volvo V50 2012 - Data Communication, Low Speed CAN 1:2

Volvo V50 2012
348 pages
Print Icon
To Next Page IconTo Next Page
To Next Page IconTo Next Page
To Previous Page IconTo Previous Page
To Previous Page IconTo Previous Page
Loading...
TP 39212202 C30/S40 (04-)/V50/C70 (06-) 2012 42
16/60
PHM
7
4
#
1
CAN
0
5
8
6
9
23
A:3
A:12
3/127
CAN
PDM
A:4
CAN
A:5
4/7
CPM
CAN
4/52
3/27
3/126
PSM
CAN
DDM
CAN
SRS
4/9
10
1
CAN
7/93
OWS
B:16
B:15
4/56
CAN
CEM
B:9
B:8
GY-BK
BU-YE
BU-RD
GY-RD
11
17/13
CAN
3
BU-RD
GY-RDG:16
G:32
A:11
A:12
BU-BK
B:25
GY-OG
B:24
BU-RD
BU-RD
A:53
A:56
GY-RD
63/221
GY-RD
BU-RD
GY-RD
A:3
A:12
64/43
2
1
A:51
A:52
BU-YE
GY
GN
WH
-BK
63/220
1
2
64/41
63/228
63/232
63/233
63/229
BU-RD
GY-RD
F:30 F:15
A
B
4/93
CAN
KVM
D:4
D:3
B:3
B:4
LIN
A:14
A:4
A:3
A:7
B:1
B:2
CAN
4/86
PAM
CAN
4/110
TRM
CAN
4/78
AEM
64/322
63/421
63/422
BU-RD
BU-RD
GY-RD
GN GN
WH WH
GY-RD
GY-RD
GY-RD
WH GY-RD
BU-RD
GY-RD
BU-RD
GY-RD
BU-RD
BU-RD
GN BU-RD
GY-RD
BU-RD
BU-RD
BU-RD
GY-RD
GY-RD
4/59
CAN
CRM
F:1
F:9
BU-RD
GY-RD
GY-RD
GY-RD
BU-RD
BU-RD
GN
WH
1 2
64/31
64/30
64/245
12
11
11
1
3
10
9
64/31
CAN
PSM
B:3
B:4
GN
WH
12
4X/110B
1 2
C70
S40/V50/C70
C70
C70
Au
Au
Au
Au
Au
Au
Au
Au
(3/26)
I03330
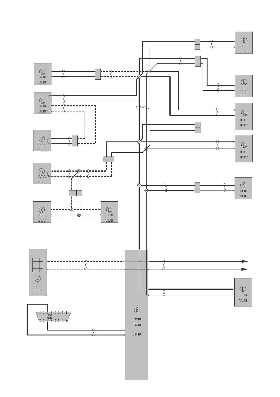
Control modules
Data communication, Low speed CAN 1:2

Table of Contents