EasyManua.ls Logo

Volvo V50 2012 - Heated Door Mirrors

Volvo V50 2012
348 pages
Print Icon
To Next Page IconTo Next Page
To Next Page IconTo Next Page
To Previous Page IconTo Previous Page
To Previous Page IconTo Previous Page
Loading...
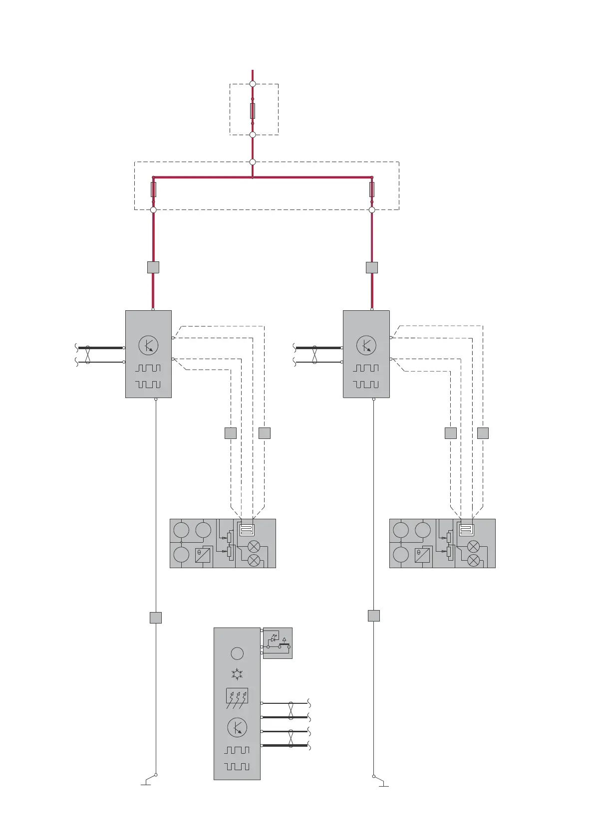
TP 39212202 C30/S40 (04-)/V50/C70 (06-) 2012 174
21
21
BK
1
2
F18
30+
64/41
64/43
RD-YE
CAN
CAN CAN
3/8
CCM
64/43
20
BKBK
31/116 LHD
31/115 RHD
A:9A:9
31/115 LHD
31/116 RHD
BK BK
20
B:12
3/126
DDM PDM
3/127
64/41
64/333
8
64/35
86
64/333
6
64/35
B:12
B:11
11
9
8
10
3/112
C°/F°
A:3
A:12 A:12
A:3
A:18 A:18
BK
BK
BK
y
M
x
M M
F
6/62
y
M
x
M M
F
6/63
9/33
9/34
MEM
X
MEM
Y
MEM
X
MEM
Y
E:21
1
2
F82
4/56
2
F83
1
C:31 C:24
15/31
C30
C30
BK
RD
BK
BK-GY
BK-GY
B:11
BK
BK
RD
C30
C30
S40/V50/C70
S40/V50/C70
S40/V50/C70 S40/V50/C70
G030127
Group 84 Exterior decorative elements, etc.
Heated door mirrors

Table of Contents