EasyManua.ls Logo

Volvo V50 2012 - Fog Lights C30;C70

Volvo V50 2012
348 pages
Print Icon
To Next Page IconTo Next Page
To Next Page IconTo Next Page
To Previous Page IconTo Previous Page
To Previous Page IconTo Previous Page
Loading...
TP 39212202 C30/S40 (04-)/V50/C70 (06-) 2012 83
63/121
BK
CAN
5/1
DIM
10
9
F29F4
2 2
30+
1 1
2
1
BK
2
10/5
1
GN-WH
CAN
4/56
CEM
8
LIN
F18
BK
63/109
BK
2
10/6
1
11
31 7
B:6
B:22
B:23
A:32
GN-BU
BK-YE
BK-YE
GN-OG
G:9E:22E:21
15/31
RD-YE
RD-BU
BK-YE
GN-WH
63/6
BK
1
2
3
5
2/34
R4
RD-OGRD-OG
RD-GN
63/120
BK
63/108
BK
3/111
0
1
2
SUPPLY
POS 0
POS 1
POS 2
FRONT FOG
REAR FOG
FUEL LID
RF IND.
HEADL LEV
PWR
FF IND.
REOST LEV
ILLUM
GND
LIGHTS ON
FF = FRONT FOG
RF = REAR FOG
C:6
BK
BK
BK
BK
BK
10/46
10/53
10/53
10/46
GN-YE
10/18
BACKTURN
TAIL2
TAIL1
FOG
GND
GND2
STOP
C:1
TAIL2
TAIL1
FOG
10/17
BACK
GND
GND2
TURN
STOP
C:4
C:4
C:2
GN-YE
GN-YE
C1:4
C3:2
31/11
31/114
31/11 31/12 31/12 31/6 31/110
63/174
BK
BK-WH
BK-BU
10/18
C30
C30
C30
C30
C30
C30
C70
C70
C70
C70
REVERSE
POSITION
TURN
POSITION
FOG
BU-GY
C2:2
C2:1
C4:1
10/17
LHD
LHD
RHD
RHD
63/175
BK
BK
C1:2
REVERSE
POSITION
TURN
POSITION
FOG
3
ABL
I03053
C:15
GN-YE
GN-YE
US CDN
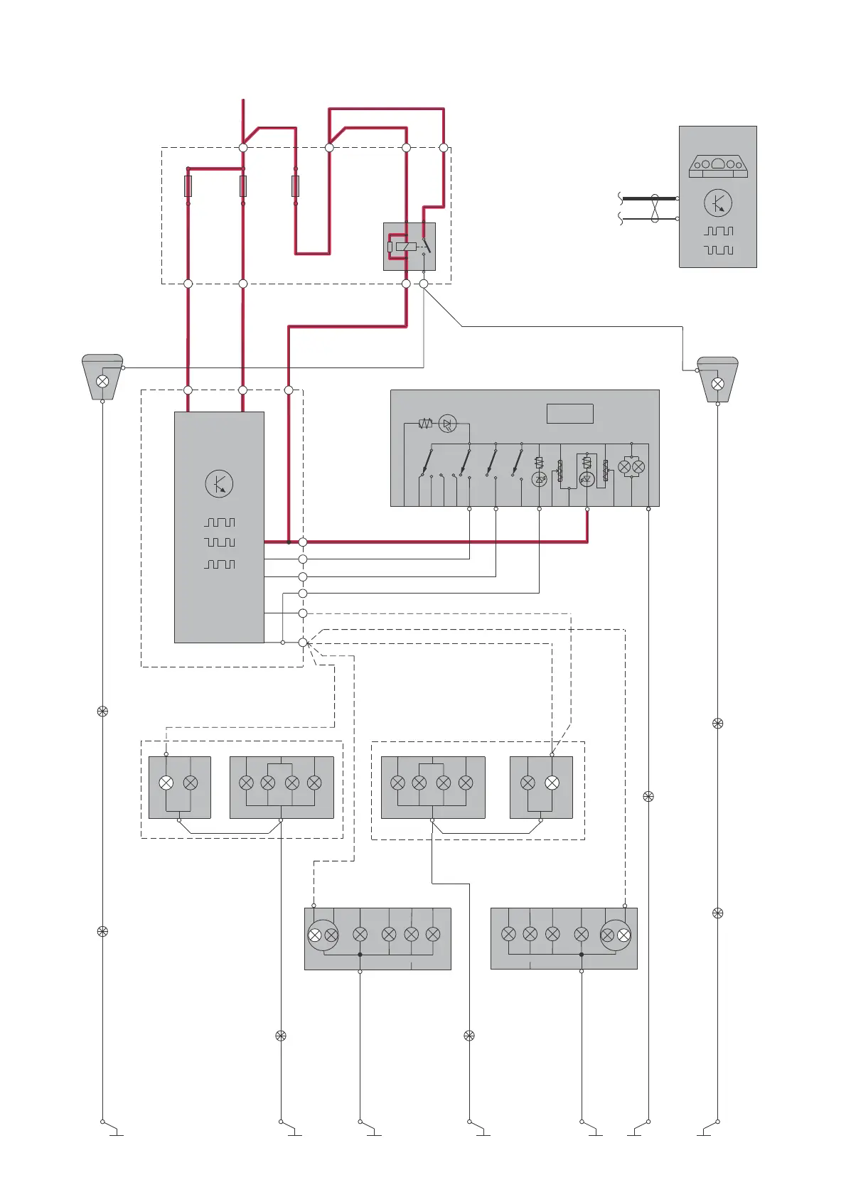
Group 35 Lighting
Fog lights C30/C70

Table of Contents

Related product manuals