EasyManua.ls Logo

Volvo V50 2012 - Running Light;Parking Light, Tail Lights S40;V50

Volvo V50 2012
348 pages
Print Icon
To Next Page IconTo Next Page
To Next Page IconTo Next Page
To Previous Page IconTo Previous Page
To Previous Page IconTo Previous Page
Loading...
TP 39212202 C30/S40 (04-)/V50/C70 (06-) 2012 74
63/120
LIN
F:14
F:16
G:14
G:15
30+
1
CEM
4/56
2
F4
2
F18
C:12
1
15/31
C:14
RD-BU
RD-YE
BK
BK
14
5
11
OG-BK
BK-BU
M
+
-
L
LOW
HIGH
PARK
TURN
M
+
-
L
LOW
HIGH
PARK
TURN
10/1
10/2
4
7
7
4
10/12
10/11
TAIL TURN
FOG
BACK
10/18
10/18
C:3
C:4
C:3
10/51
10/52
C:2
TAIL
FOG
TAILTURN
FOG
BACK
10/17
C:6
A:4
C:1
A:2
A:1
A:3
10/44
10/45
GND
GND2
TURN
BACK
STOP
10/51
10/52
10/17
C:4
C:1
TAIL
FOG
BACK
GND
GND2
TURN
STOP
10/45
10/44
E:21
E:22
E:13
G:2
A:40
B:4
63/6
BK
63/108
BK
BK
BK
OG-BU
OG-GN
OG
OG-WH
OG
OG-WH OG
OG-WH
BK
BK
BK
BK
V50
V50
V50
BK-WH
V50
V50
BK
V50
V50
S40
S40
S40
S40
S40
S40
CAN
10/3
12
3
1
64/48
5
64/48
63/196
63/172
BK BK BK
BK
BK OG-BK
C:13
63/121
63/109
BK
BK
TAIL
STOP
TAIL
STOP
31/66
31/11 31/12
31/110
3/111
0
1
2
SUPPLY
POS 0
POS 1
POS 2
FRONT FOG
REAR FOG
FUEL LID
RF IND.
HEADL LEV
PWR
FF IND.
REOST LEV
ILLUM
GND
LIGHTS ON
FF = FRONT FOG
RF = REAR FOG
31/6
31/114
G029808
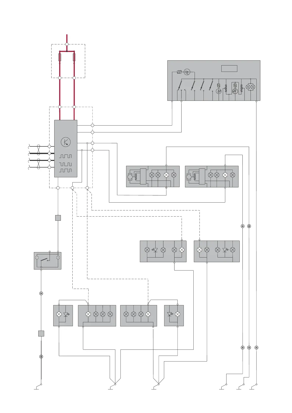
Group 35 Lighting
Running light/Parking light, Tail lights S40/V50

Table of Contents

Related product manuals