EasyManua.ls Logo

Volvo V50 2012 - Fog Lights S40;V50

Volvo V50 2012
348 pages
Print Icon
To Next Page IconTo Next Page
To Next Page IconTo Next Page
To Previous Page IconTo Previous Page
To Previous Page IconTo Previous Page
Loading...
TP 39212202 C30/S40 (04-)/V50/C70 (06-) 2012 82
31/11
31/12
63/121
BK
CAN
5/1
DIM
10
9
F29F4
2 2
30+
1 1
2
1
31/114
BK
2
10/5
1
GN-WH
CAN
4/56
CEM
8
BK
BK
GN-YE
BK
BK
LHD
LHD
10/46
10/53
LIN
F18
31/110
BK
63/109
BK
2
10/6
1
11
31/6
31 7
C:6
B:6
B:22
B:23
A:32
GN-BU
BK-YE
BK-YE
GN-OG
GN-YE
GN-YE
G:9E:22E:21
15/31
RD-YE
RD-BU
BK-YE
GN-WH
63/6
BK
BK
GN-YE
GN-YE
1
2
3
5
2/34
R4
10/18
10/53
10/46
C:4
C:3
V50
V50
V50
V50
RD-OGRD-OG
RD-GN
RHD
RHD
S40
S40
63/120
BK
63/108
BK
3/111
0
1
2
SUPPLY
POS 0
POS 1
POS 2
FRONT FOG
REAR FOG
FUEL LID
RF IND.
HEADL LEV
PWR
FF IND.
REOST LEV
ILLUM
GND
LIGHTS ON
FF = FRONT FOG
RF = REAR FOG
TAIL TURN
FOG
BACK
10/18
C:4
C:6
TAILTURN
FOG
BACK
10/17
C:6
C:4
C:3
TAIL
FOG
GND
GND2
TURN
BACK
STOP
10/17
C:4
TAIL
FOG
BACK
GND
GND2
TURN
STOP
S40
S40
S40S40
I03052
C:15
GN-YE
US CDN
US CDN
GN-YE
GN-YE
GN-YE
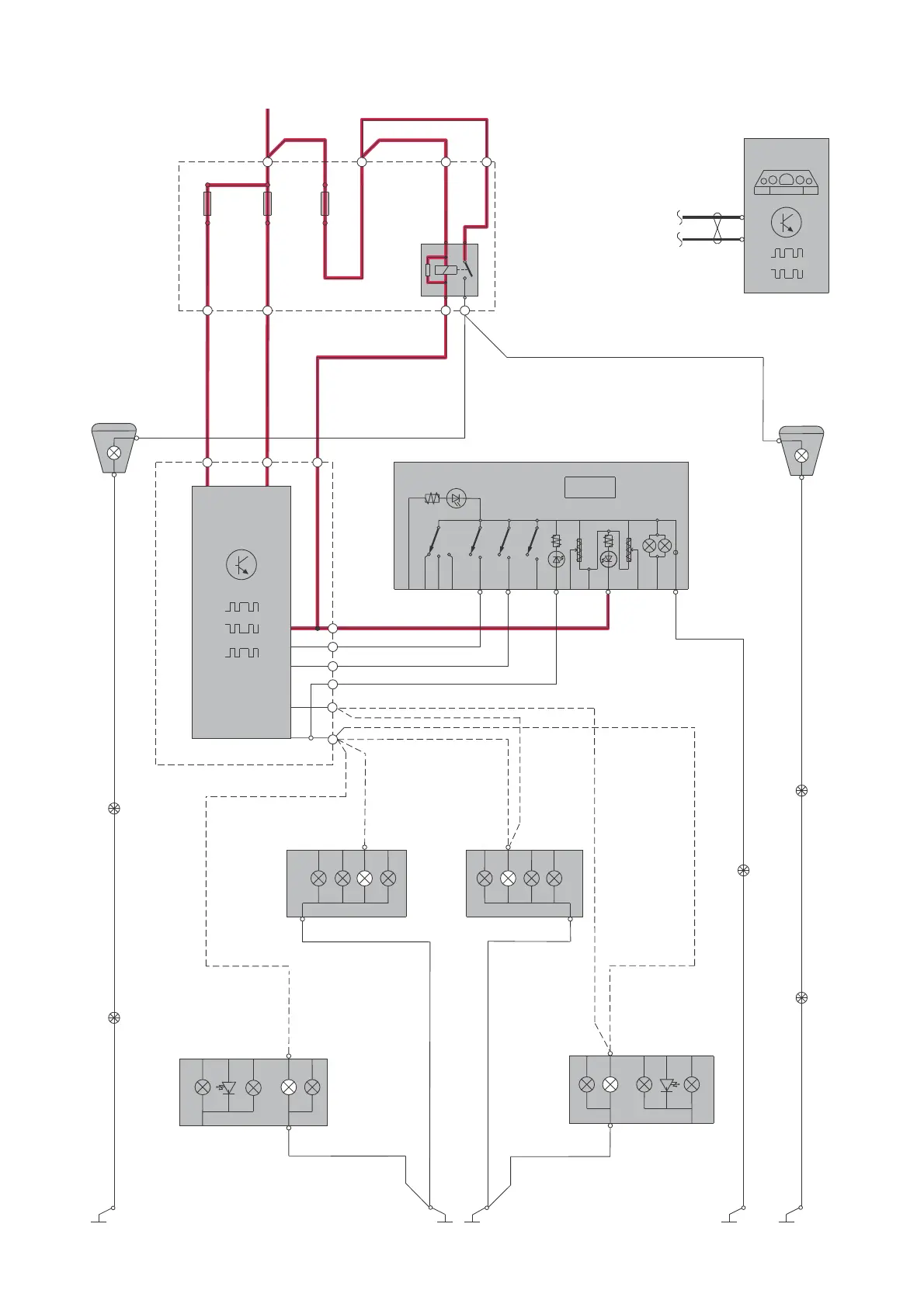
Group 35 Lighting
Fog lights S40/V50

Table of Contents

Related product manuals