EasyManua.ls Logo

Volvo V50 2012 - Automatic Transmission MPS6

Volvo V50 2012
348 pages
Print Icon
To Next Page IconTo Next Page
To Next Page IconTo Next Page
To Previous Page IconTo Previous Page
To Previous Page IconTo Previous Page
Loading...
TP 39212202 C30/S40 (04-)/V50/C70 (06-) 2012 152
31/132
GY-RD
BU-RD
GY-RD
BU-RD
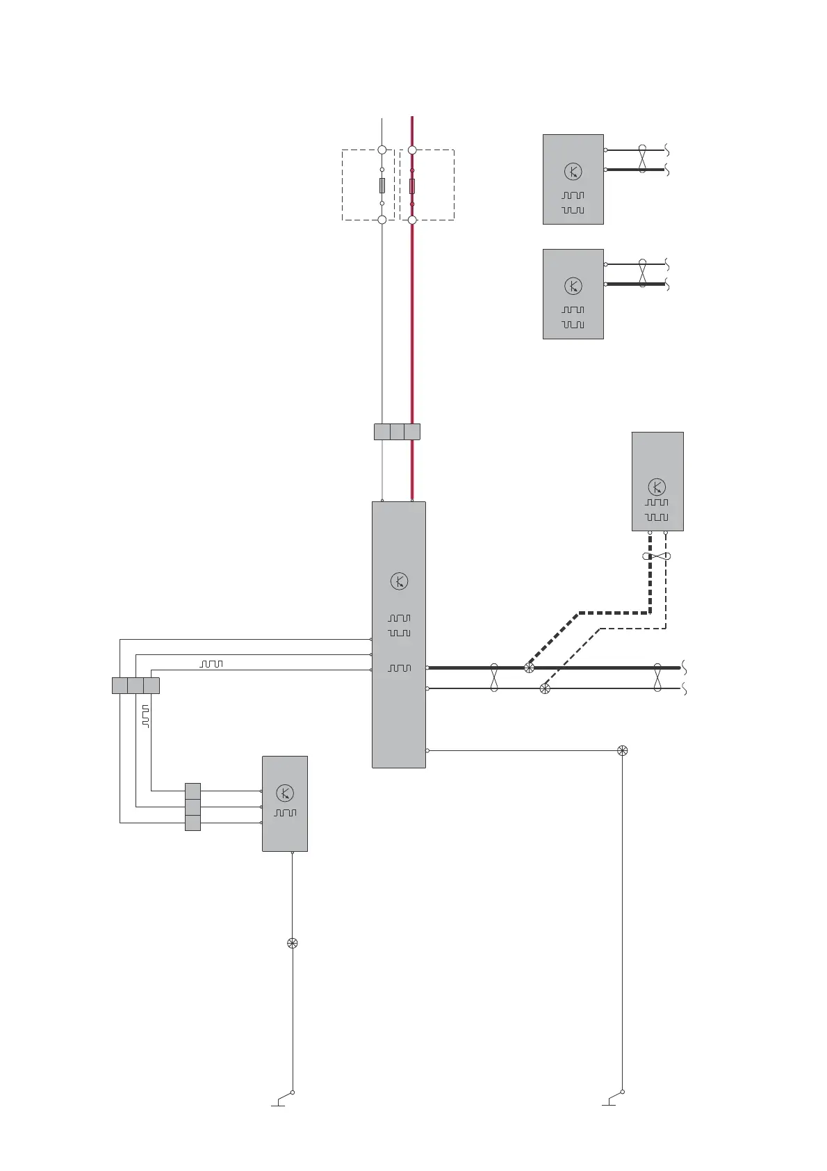
MPS6
TCM
CAN
64/90
CAN
15
11
64/111
GSM
4/16
BCM
4/28
22
RD-YE
A:13
A:1
Ag
Ag
Ag
RD-YE
BK
31/10
BK-GN
LIN
F23
2
1
30+
F52
2
1
15+
4/56
15/31
3 23
GN-YE
GN-YE
RD RD
A:6A:1
Ag Ag
1
33
RD
A:17
RD
63/53
63/227
63/226
63/25
64/90
2
3
3/156
8/36
RD
RD-YE
BK-BU
BK
2
1
3
6
1
GY-OG
GY-OG
LIN
E:3
A:17
30
GY-OG
A:5
A:2
A:19
B:37 B:38
GY-RD
BU-RD
Ag
ECM
4/46.6
CAN
B4204S3
2,0 L
I03082
CAN
13
12
4/16 EU5
BCM
(S4)
Group 43 Transmission
Automatic transmission MPS6

Table of Contents

Related product manuals