EasyManua.ls Logo

Volvo V50 2012 - Running Light;Parking Light, Tail Lights; (Dual Xenon) S40;V50

Volvo V50 2012
348 pages
Print Icon
To Next Page IconTo Next Page
To Next Page IconTo Next Page
To Previous Page IconTo Previous Page
To Previous Page IconTo Previous Page
Loading...
TP 39212202 C30/S40 (04-)/V50/C70 (06-) 2012 75
10/11
7
4
4
7
63/120
LIN
F:14
F:16
G:14
G:15
30+
1
CEM
4/56
2
F4
2
F18
C:12
1
15/31
C:14
RD-BU
RD-YE
BK
BK
14
5
11
OG-BK
BK-BU
E:21
E:22
E:13
G:2
A:40
B:4
63/6
BK
63/108
BK
BK
BK
OG-BU
OG-GN
CAN
10/3
12
3
1
64/48
5
64/48
63/196
63/172
BK BK BK
BK
OG-BK OG-BK
C:13
63/121
63/109
BK
BK
3/111
0
1
2
SUPPLY
POS 0
POS 1
POS 2
FRONT FOG
REAR FOG
FUEL LID
RF IND.
HEADL LEV
PWR
FF IND.
REOST LEV
ILLUM
GND
LIGHTS ON
FF = FRONT FOG
RF = REAR FOG
M
PARK
TURN
Sidemarker
10/2
10/12
Actuator
BiLitronic
ECU
Lit5
LEVELING
High
Beam
Low
Beam
Supply
Lin
Gnd
Gnd
Ignitor
10/1
PARK
TURN
Sidemarker
High
Beam
M
LEVELING
Supply
Lin
Gnd
Actuator
BiLitronic
Ignitor
ECU
Lit5
Low
Beam
Gnd
TAIL TURN
FOG
BACK
10/18
10/18
C:3
C:4
C:3
10/51
10/52
C:2
TAIL
FOG
TAILTURN
FOG
BACK
10/17
C:6
A:4
C:1
A:2
A:1
A:3
10/44
10/45
GND
GND2
TURN
BACK
STOP
10/51
10/52
10/17
C:4
C:1
TAIL
FOG
BACK
GND
GND2
TURN
STOP
10/45
10/44
OG
OG-WH
OG
OG-WH OG
OG-WH
BK
BK
BK
BK
V50
V50
V50
BK-WH
V50
V50
BK
V50
V50
S40
S40
S40
S40
S40
S40
TAIL
STOP
TAIL
STOP
31/6
31/11431/110
31/66
31/1231/11
G029805
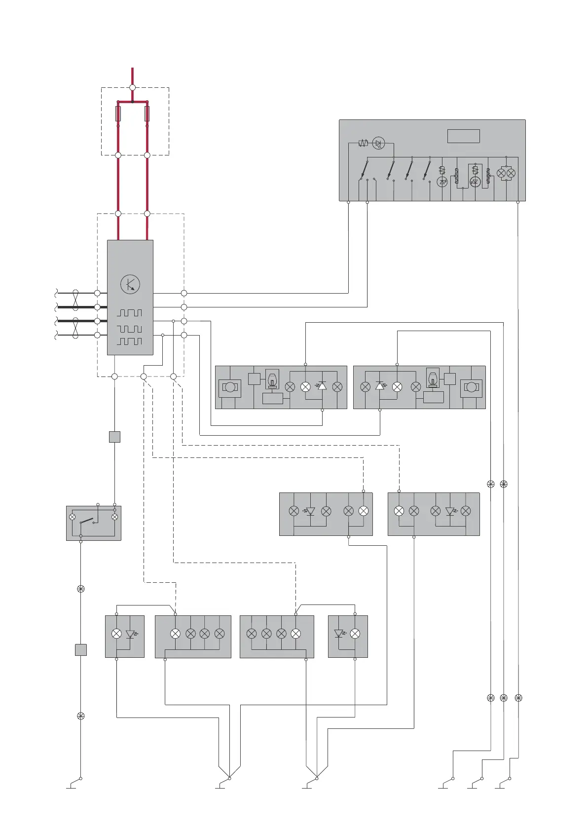
Group 35 Lighting
Running light/Parking light, Tail lights (Dual Xenon) S40/V50

Table of Contents

Related product manuals