EasyManua.ls Logo

Volvo V50 2012 - Page 47

Volvo V50 2012
348 pages
Print Icon
To Next Page IconTo Next Page
To Next Page IconTo Next Page
To Previous Page IconTo Previous Page
To Previous Page IconTo Previous Page
Loading...
TP 39212202 C30/S40 (04-)/V50/C70 (06-) 2012 47
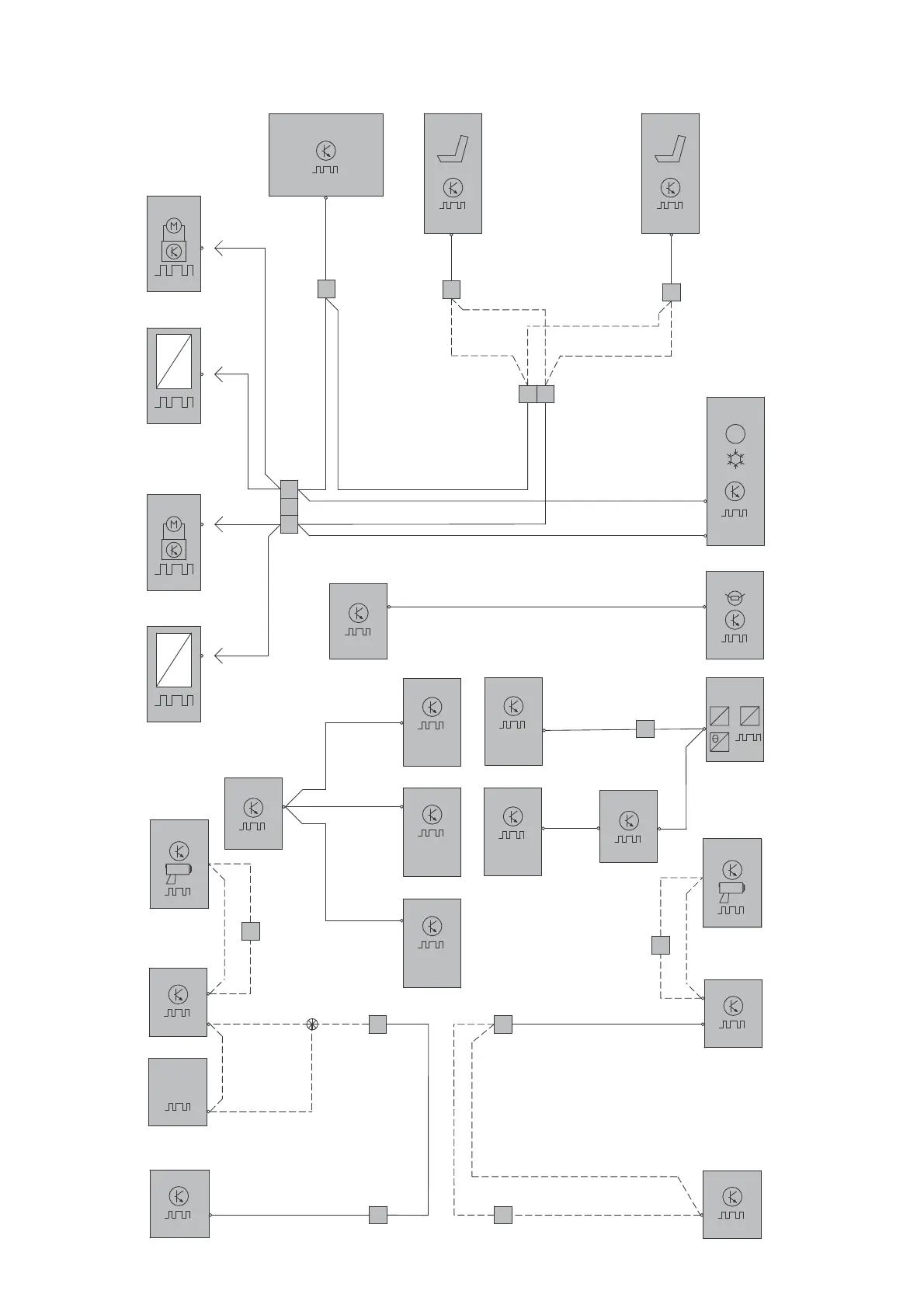
Control modules
Data communication, LIN 2:2
5 CYL
2,5 L T
5 CYL
2,0 L D
LIN
3/281
ICM
LIN
3/286
3/112
7
12
LIN
C°/F°
CCM
LIN
3/254
SWM
SHM
LIN
9/12
SHM
9/13
LIN
3
64/545
64/112
7
6
6
4
A:2
3
A:2
WH
WH-GN
WH WH-GN
WH
WH
WH-GN
WH-GN
C:5A:2
WH-BU
LIN
LDM/RDM
3/129 LHD
3/128 RHD
PDM
LIN
3/127
LDM/RDM
3/128 LHD
3/129 RHD
3/81
LIN
DDM
3/126
LIN
LIN
WINDOW
CONTROL
SWITCH
64/47 LHD
64/45 RHD
1
44
64/41
63/26
64/43
9
64/90
1
64/45 LHD
64/47 RHD
5
64/35
BK
BK
BK
WH-RD
WH-RD
WH-RD
BK
BK
BK
BK
A:13
A:13
B:4
3
A:1
6
6
AQS
6/102
LIN
7/159 LHD
LIN
ECC
DMM
4
4
BU
WH
BU
RHD
WH
WH-GN
RHD
LHD
LHD
64/3064/25G
64/31
LIN
7/159 RHD
LIN
ECC
AQS
6/103
DMM
YE
YE
VT
VT
6/95
6/48 RHD
2
2
2
6/96
6/48 LHD
2
ACM
6/26
LIN
ECM
LIN
4/46
ECM
LIN
4/46.2
A:37
A:46
WH-RD
WH-RD
WH-RD
LIN
4/126
LCM
S40/V50/C70
S40/V50/C70
S40/V50/C70
C30
S40/V50
C30
LIN
4/127
RCM
C70
S40/V50
S40/V50
4 CYL
1,6 L D
GN-WH
GN-WH
GN-WH
ECM
LIN
4/46.3
A:
5
64/333
B:4
C30
GN-WH
GN-WH
GN-WH
Au
Ag
Ag
ECM
LIN
4/46.5
OG-YE
OG-YE
4 CYL
1,6 L D
2
A:12
Au
BLIS / PAS / DRIVe
7/240
BMS
LIN
I
U
I03007
ECM
LIN
4/46
4 CYL
1,6 L D
C:28
BK-RD
CEM
4/56
LIN
E:9 G:10
OG-YE

Table of Contents

Related product manuals