EasyManua.ls Logo

Volvo V50 2012 - Page 59

Volvo V50 2012
348 pages
Print Icon
To Next Page IconTo Next Page
To Next Page IconTo Next Page
To Previous Page IconTo Previous Page
To Previous Page IconTo Previous Page
Loading...
TP 39212202 C30/S40 (04-)/V50/C70 (06-) 2012 59
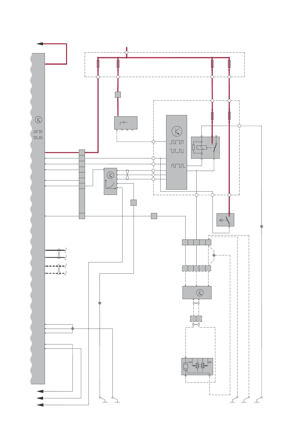
ECM
B:6
B:4
B:2
CAN
3/9
4/83
2
1
4
1
2
3
5
31/84
63/53
30+
1
2
F18
CAN
CEM
F74
15/31
E:21
LIN
3/1
30
15X
5
50 S
B:7
B:2
64/111
5
RD RD
GY
-BK
1
2
4/56
F57
1
2
1
2
F4
1
2
F26
1
2
F23
RD-YE
RD-BU
RD
64/113
64/90
23
8
37
13
9
28
24
GY
GN-YE
GN-WH
64/1
64/956
64/956
C30
C30
64/51
11
7
7
7/51
1
5
2
6
3
4
R15
2/23
E:22
C:16
A:42
E:40
E:10
G:22
G:31
G:7
A:28
B:16
B:15
B:30
B:14
B:21
GN-WH
GN-YE
GN-YE
B:17
GN-BU
B:26
GY
WH
YE
BN
E:28E:41
OG
OG-WH
BK-YE
31/10
63/12
63/33
WH-BK
WH-BK
BK-YEBK
GN-YE
B:5
B:3
BK-YE
BK-YE
BK-YE
GN-BU
GN-BU
31/132
GN-BU
BK
31/115
31/116
BK-OG
63/25
BK BK
BK-OG
LHD
RHD
I5 PLASTIC
2WD
6/33
M
56
1
GN-OG
BK-RD
BK-RD
B:27
4/46.2
A
BK-BU
B:41
B:54
B:44
B:57
2
5
1
3
4
C
B
5 CYL
2,5 L T
RD
BK-RD
GN-OG
WH-BK
WH-BK WH-BK
GN-WH GN-WH GN-WH
BK-OG
BK-OG
BK-OG
4
12 3
8
7
14
5
Ag
Ag
Ag
Ag
Ag
Ag
Ag
Ag
Ag
Ag
Ag
Ag
Ag
Ag
Ag
Ag
Ag
I03064
B5254T7
A
GN-BU
Group 28 Ignition system/control system
Engine management system, 5-Cyl. Turbo 2:2

Table of Contents

Related product manuals