EasyManua.ls Logo

Waters ACQUITY Arc System - External Wiring Connections

Waters ACQUITY Arc System
86 pages
Print Icon
To Next Page IconTo Next Page
To Next Page IconTo Next Page
To Previous Page IconTo Previous Page
To Previous Page IconTo Previous Page
Loading...
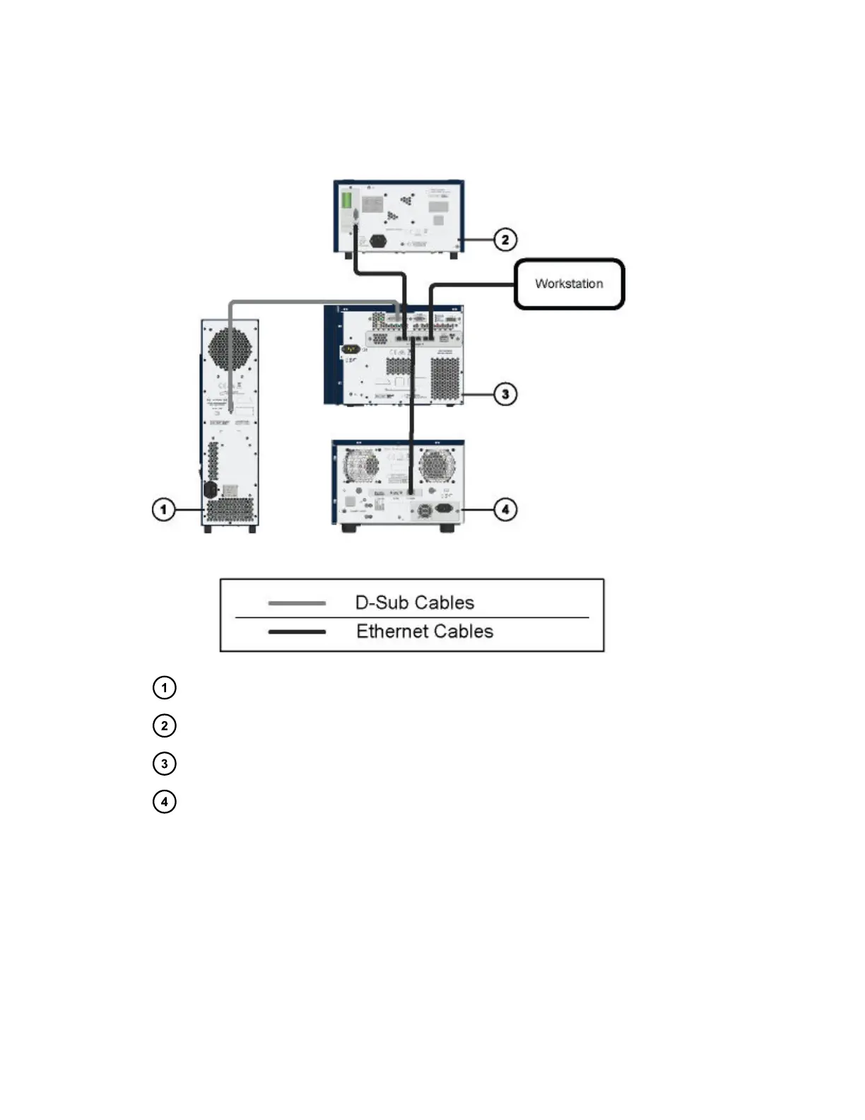
5.1.1 External wiring connections
Figure 5–1: System rear-panel wiring connections
Column module (30-cm CHC shown)
Detector
SM FTN-R
QSM-R
June 12, 2015, 715004747 Rev. A
Page 51

Table of Contents

Related product manuals