EasyManua.ls Logo

Waters ACQUITY UPLC I-Class - Page 58

Waters ACQUITY UPLC I-Class
68 pages
Print Icon
To Next Page IconTo Next Page
To Next Page IconTo Next Page
To Previous Page IconTo Previous Page
To Previous Page IconTo Previous Page
Loading...
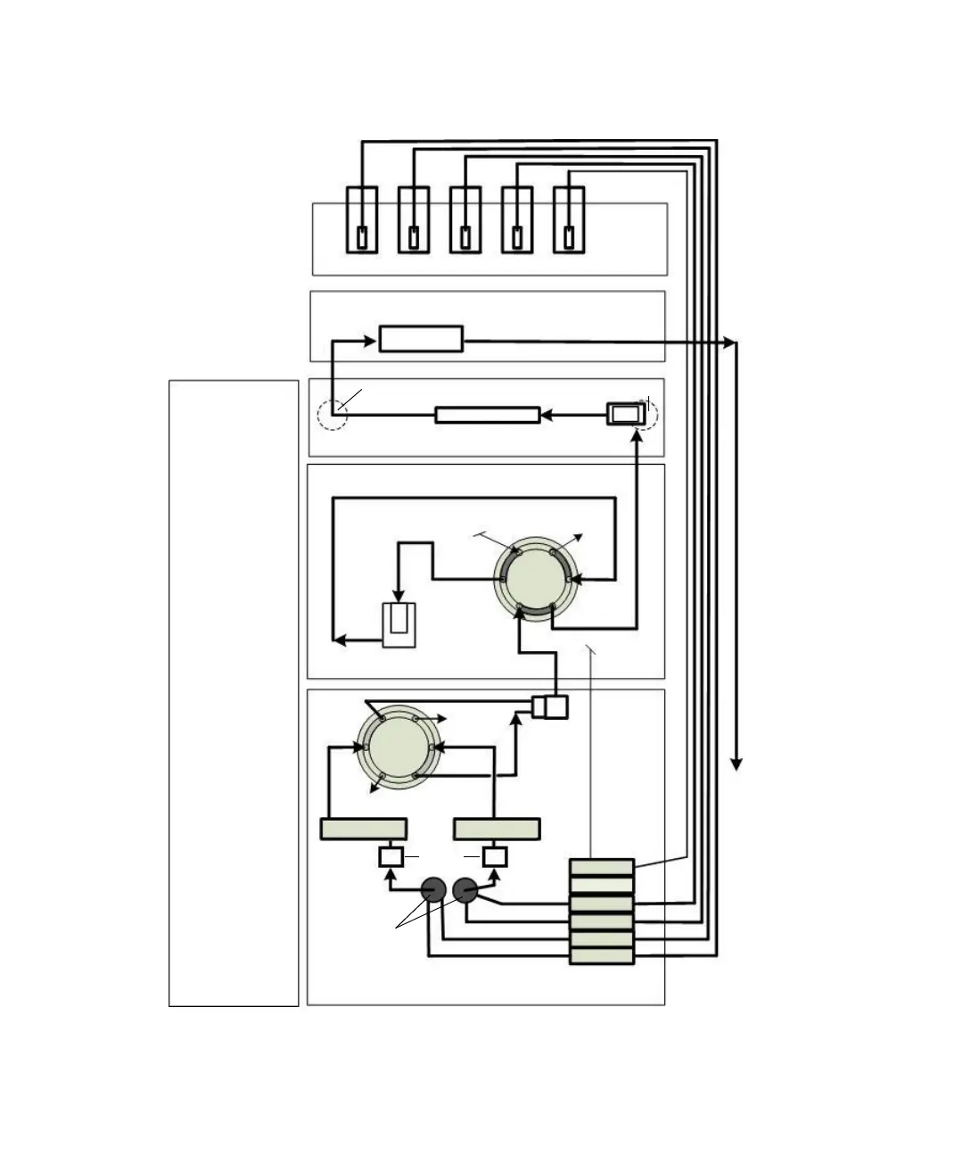
B-2 External Connections
Solvent flow for ACQUITY UPLC I-Class system configured with an SM-FTN:
Solvent tray
Detector
Flow cell
Sample Manager - FTN
BSM solvents
SM wash
solvent
Column
Column heater or manager
APH
Needle
Sample
organizer
Injection
port
To waste
Injector
valve
Vent
valve
Mixer
Waste
Pump A Pump B
Binary solvent manager
Solvent
selection
valves
Filters
To waste
A
B
A1
A2
B2
B1
A1 A2
B2B1
SM WS
Sample syringe
Valve Valve
Waste
Degasser
Block

Table of Contents

Related product manuals