EasyManua.ls Logo

Wavetek 2001 - Page 77

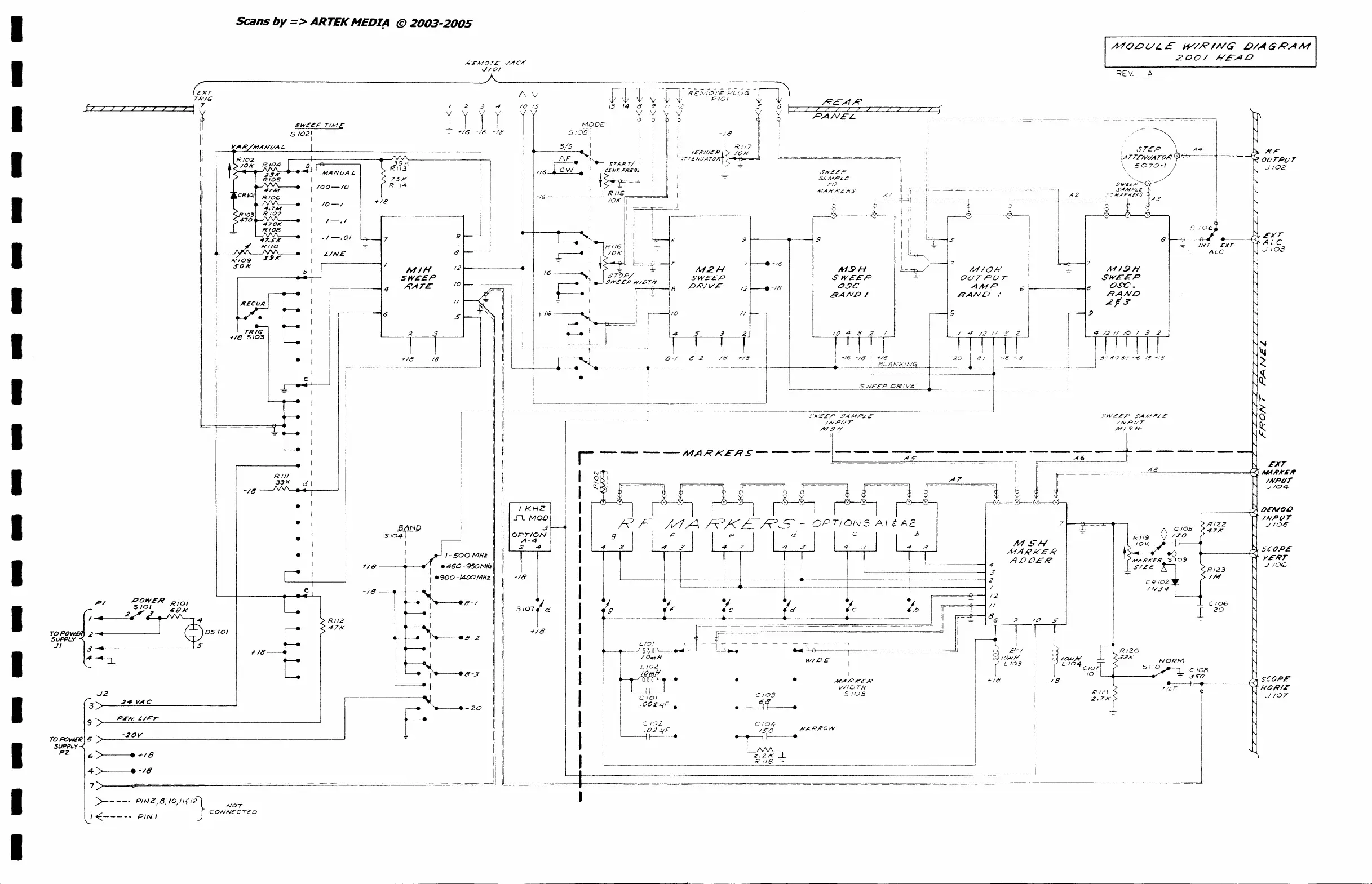
Wavetek 2001
102 pages
Print Icon
To Next Page IconTo Next Page
To Next Page IconTo Next Page
To Previous Page IconTo Previous Page
To Previous Page IconTo Previous Page
Loading...
MODUL
~7
W/RfNG
D/A
GRAM
ZOO/
HEAD
WEV
P
I
I
I
I
I
I
I
I
I
I
I
I
I
I
I
I
I
I
I
Scans
by
=>
ARTEK
NEDIt'
@
2003-2005
RI09
SOl'(
TRIG
'+18
5103
-18
b
MANUAL,
100-10
10-1
..
18
/-./
I
.1-.01
l-
~/NE
J
'18
-18
Rile
47K
7
MIH
SWEEP
4
RATE
6
.2
<l
+18
-18
SIO~
I
I
9
8
12
10
II
S
I
J
J2
f~+20
~
.2~
VAC
3
PEN
LIFT"
TOAO~
:
>--~-~2~O~V~~----------------------------~
SUPPLY
PZ
6 >-----e
+18
4)
-18
7)
rr=
>-----
PINt?
810
1If/2}
I
.J
J
NOT
I~
_____
PIN
I
CONIVE:CTEO
--
.
/l40.oULE
W/RING'
O/AGRAM
I
8-1
9
.16
M2H
SWEEP
DR/VE
12
-lIS
II
I
8-£
-18
>'18
I
S><EE?
SAMP
..
E
TO
MA.RKERS
9
I,
M.9H
SWEEP
asc
BAN£)
/
-g;
-18
!
-16
s
9
MIOH
OUTPUT
AMP
BAND
/
1-
REV.~
MI.9H
SWEEP
OSC.
BAND
,,;.>13
·--r-~
S"vE€P
DRIVe
_____
___
8Uif-KJ!::!Si._
___
.-J
SWEEP
SAMPLE
SWEEP
SAMPLE
IN/"ur
/NPt/T
M9/'t'
MI9H'
1 '
200/
NEAO
I I
r
--
--MARKERS----I----------------4------
EJfT
~~
~-1
k
-1
$8
$
'$
r_~
__
~A;
r-'" $ $
rr=-:~-=---
AD
-_~~
____
~~~HK.H
------------
__
?~l:~Jd--------I-
__
__
~h
f-~"'"
---~
{~
.:~~-~--==:
-~
n;:~,
~
_
~
___________
I
WIO£
I
I
M.AP,.,-ER
Vv'IOTH
5108
CI04
~~
_____
NAR~OW
Lf."~
~s-
I l
LI
~;gy4{F.
~
.
~;~~F
-~--~--
R
1/8
-_-
______
_
------
--------------------------------
7
MSh'
/tfARKER
4
ADDER
5'
2
12
II
-~
c~
i
c/o.,.
t
RICO
NORM
5110
RI22
47,K
INPUT
JI04-
LJEMOO
INPtl7
JI06
~------+<'l
SCOPE
yENT
J
ICXO
RI23
1M
CIO.o
+
20
Z)j
~ar4
~
10
"---+------r
Cf08
JSO
----..j
SCOPE
,lfORlr
JIO?
-/8
TILT
_ ___ J

Related product manuals