EasyManua.ls Logo

Wavetek 2001 - Page 87

Wavetek 2001
102 pages
Print Icon
To Next Page IconTo Next Page
To Next Page IconTo Next Page
To Previous Page IconTo Previous Page
To Previous Page IconTo Previous Page
Loading...
REV
F
I
I
I
I
I
I
I
I
I
I
I
I
I
I
I
I
I
I
I
Scans
by
=>
ARTEK
MEDIIf
@
2003-2005
8+
/
//
30.S
hJ'1A
B-/
/2.
C/7
470
c.2
I·o/P;&"
CR.2
c/s
BLANK/NG
&.8_
~
______
-JVV'~~~
/NPl/T
41
C/.9
LEVEL
6.S
CONrHO~
-----,
/NPVr
t
-J8
V
j
\{~
max
MIOH-I
VALUE
DIFFER£NCtZs
ARE
SHOWN
IN
8~ACKETS
[ .J
~
,-lit..
lBV)f
-
NDN/TfJH
/NPVr
.R28
R24
.:?.?K
/so
*
-/8
Q6
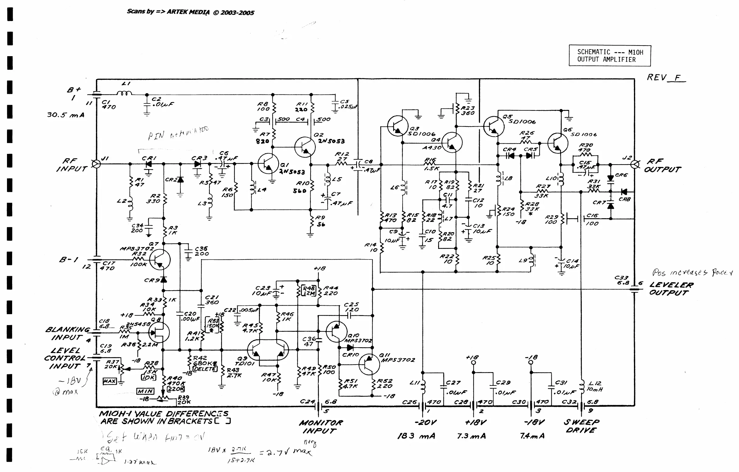
SCHEMATIC
---
MIOH
OUTPUT
AMPLIFIER
so
1006
REV
F
/i'F
OUTPur
C3J
6.8
Po
Sin
t-
->lett
s e > r
CtlJt
."
6
LEVELCR
~--------+-----------~---------------------+------------
our~G'r
-/8
LI/
C27
C.29
C3/
.LIZ
.
Ow'
J0'-""'-
O/"",r
TO",
1/
-/8
C.26
1
470
C.28
11'7'
_ C.J'O I
"ITO
CJ2
<5'.8
I
2 3
9
-2()Y
+/e¥
-/611'
..sWEEP
/83
ht1A
7.3A11A
l4lntA
L)H/YE

Related product manuals