EasyManua.ls Logo

Wavetek 2001 - Page 88

Wavetek 2001
102 pages
Print Icon
To Next Page IconTo Next Page
To Next Page IconTo Next Page
To Previous Page IconTo Previous Page
To Previous Page IconTo Previous Page
Loading...
Scans
by
=>
ARTEK
MEDm
@
2003-2005
NO
TE2: WRMON/C
SUPPRK5S/OY
CAPRC/TORS
MAY
OR
MAY
NOT
BE
PRE5KNT
d
THZ5.C
Po/NTS
"C
"
BAND
/
/NPU
r
I
I
I
I
I
I
I
I
I
I
I
~I
I
I
I
I
I
I
CI
.sIYEFP
0.8
PRIV£
~
CI3
Scans
by
=>
ARTEK
MEDIj4 @
2003-2005
/\I0TE/:
~II
V':.('$/ON'2
CNANC?,€S
OVTP(,/T"
//Yf"£"OANC£
TO
7'5..0-
PART:5
AFF£CT£D
,~R£
P-!-~,
R,47.l-,j.,3
(5££
P.4RT5
LIST~
.lVOT£2:
AlARMO/VIC
5{/PPR£S~/ON
CAPACITORS
MAY
OR
MAY
NOT
BE
P-RE5£NT
AT
TI-I£5£
pOINTS
C2
soo
LZ
.JL
R5'
220
R6
~
oaK
~
tn~
()''\i
CRI
-/6
B-2
.6'-2
.L
CG
soo
T
C5'
.500
LI
+18-~-
RIS
IOO/{'
"c"
BAND
/
/NPt/T
(//
TO
R/I
SWEEP
~.......----"..s.AMr-LE
I
:~~
.12
r
~CR7'
eRa
CR6
-r;
RI2
I
~
/1
~
eli?
~~~
RZ4
2.2"<
R25
47,J<
-18
CR9
L~~EL
..
__
6._8
__________
+-
________________________________________________
~
________________________
--------------------~~r_~--~
PR(J~Ahi7
/Ok
CENT.
BANL)
3
1
ClIO
__
L~£
L-
________
s~O_O
____________________
_Jlf6'~------
lela
LI4
L--------------~_OO
~----,
soo
.2.2pH
R37
wi
~3S
/60
500
82
"j,---------
-16
R321(
L21
RZI
JJIK
~-------'VV'-~---------'
I
L22
I
I
I
CRI7
L2~
T~
C:~9
CZI
AlOr~:.-.swEEP
CRI6
100
Z.
330
SAMPL,E:
~-
d~
CZS
L.ZY
LEVELER
6.8
~'--
________________________
=-
_________________________________________________________________________________
c~'~zl-I------~
.,..t
8
C28
-18
8-.z
.8-3
L24
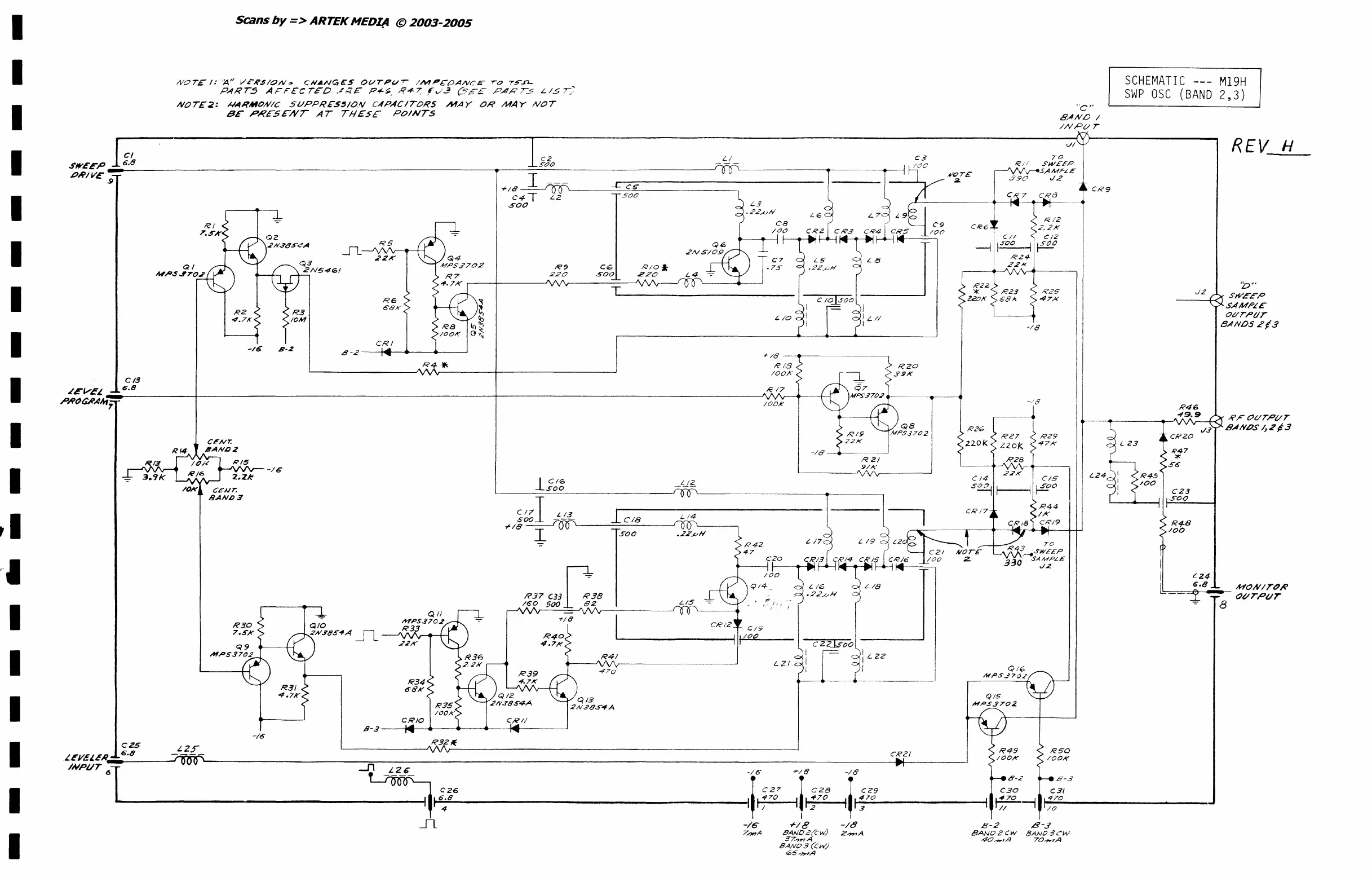
SCHEMATIC
---
M19H
SWP
OSC
(BAND
2,3)
I
I
CR20
R47
'*
56
C23
SOO
R4-B
/00
lL
__
J2
REV
H
'.0"
SWEEP
SAMPLE
O(/TPtlT
BANf)S
Llg
RF
OUTPUT
BANDS
1,2t.3
8
MOlY/TOR
OVTPU7
111;70
,kJ',,'
INPUT
6··-1-----·
vvv
~
-11
..
_____________________
~
___________________
~%~ir'
"~16-:-~-6----------------------------------------------~lf~;i;
C30
I
C3/
1",,10
--'
1
470
//
1
~/-o--------------------------------
J1
-/0-
7~A
I
+/8
8AND2(CW)
37.-.nA
BAN03(C/It()
<c5~A
-/8
B-2
,B-3
Z""""A
BAND2CW
BANO;i'C'W
4O
____
A
70"""A

Related product manuals