EasyManua.ls Logo

Wayne P250 series - Page 35

Wayne P250 series
46 pages
Print Icon
To Next Page IconTo Next Page
To Next Page IconTo Next Page
To Previous Page IconTo Previous Page
To Previous Page IconTo Previous Page
Loading...
35
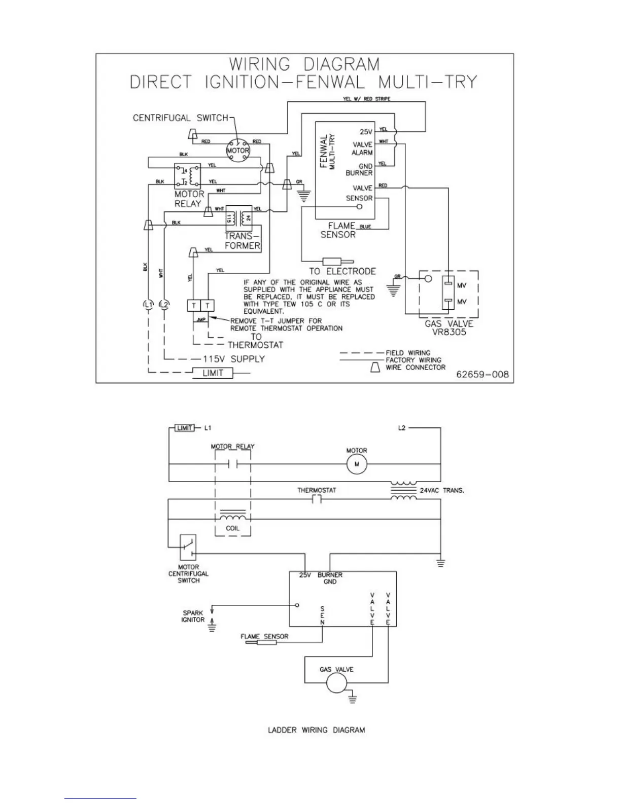
FIGURE 23: WIRING DIAGRAMS FOR GAS BURNER WITH DIRECT IGNITION-FENWAL

Table of Contents

Related product manuals