EasyManua.ls Logo

Wayne P250 series - Electronic Pilot System Wiring Diagrams

Wayne P250 series
46 pages
Print Icon
To Next Page IconTo Next Page
To Next Page IconTo Next Page
To Previous Page IconTo Previous Page
To Previous Page IconTo Previous Page
Loading...
36
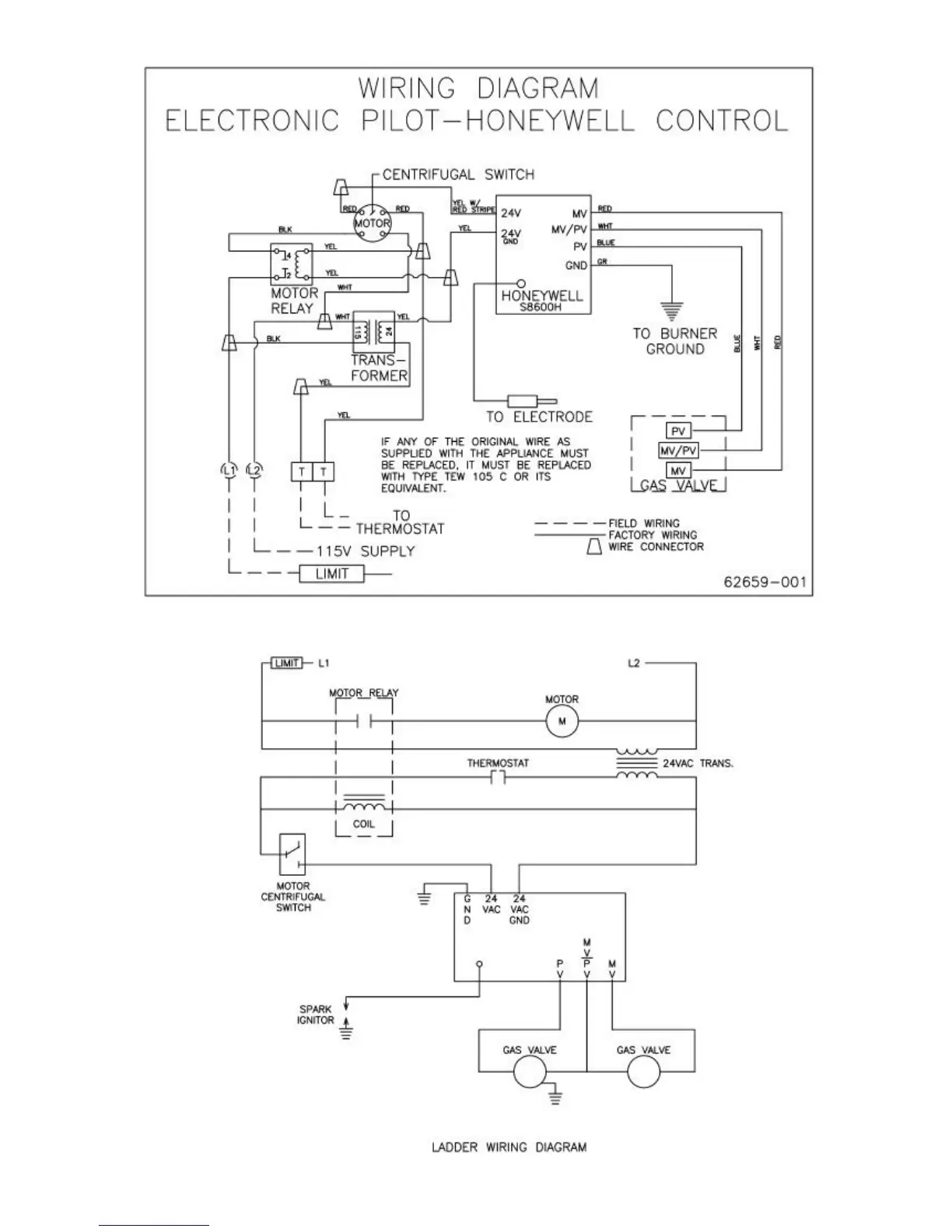
FIGURE 24: WIRING DIAGRAMS FOR GAS BURNER WITH ELECTRONIC PILOT-HONEYWELL

Table of Contents

Related product manuals