EasyManua.ls Logo

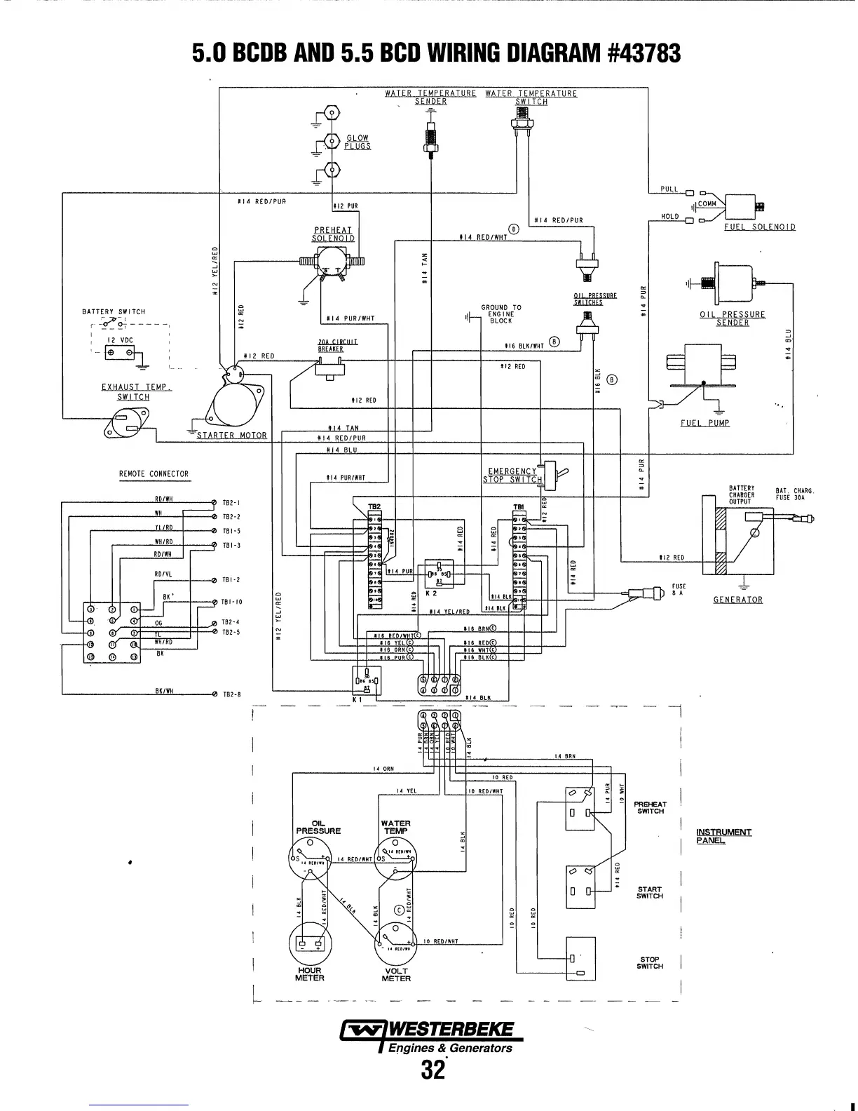
Westerbeke 5.0KW BCD - Wiring Diagram #43783

Westerbeke 5.0KW BCD
61 pages
Print Icon
To Next Page IconTo Next Page
To Next Page IconTo Next Page
To Previous Page IconTo Previous Page
To Previous Page IconTo Previous Page
Loading...
5.0
BeDB
AND
5.5
BCD
WIRING
DIAGRAM
#43783
ilA
RED/PUR
*
0
BATTERY
SW
ITCH
:?~-----,
-
--
-
12
VDC
...
Ie)
0J:l
,
#12
RED
.
U:=-
E~tlAIJSI
IEMP
~
SWITCH
0
0
REMOTE
CONNECTOR
,
II
<D
'-/-<ll
<D
'-/-<D
(if,
r--kt
0f
,
@I
®
@
RD/WH
WH
LIRO
WH/RO
RD/WH
RO/VL
BK'
P
OG
OK""
61
BK/WH
,..--J
162·1
161-1
rBH
,---J
T61·3
T61-2
,.--J
TB
1-10
~
T6H
T62-5
T62-6
1
L
~AIEB
TE~PEB8TUBE
WAIER
TE~PERATURE
SEN
DE
R SWITCH
=
~~bJ
~
~
~
GLOW
~
-r<
~
~
",
RED/PUR
I ,
RED/WHT
eD
fBJJJ..E.Al
¥
~QI.EtlOIQ
"V
z
..
~
~
(
QII
~BESSIIBE
III-
GROUND
TO
.sJI.I.IlliE1
II
E,itGo'N
114
PUR/WHT
116BLK/WHI
CD
2D..UlWJ.ll
6REiKER
"
~"""
t12
REO
"'
-
,
TAN
114
RED/PUR
'"
6L
~~
EMEBGE~CY
II.
PUR/WHI
STOP
SWITe
~J:
\~
r---'~
r-~
;;
E-;:
~
0
,
r---
~
~
(
~
~
I-
~
-
-
I!.'
E-;:
..
=
~~
~
0
It!
"4
PUR
I~.",
It!
~I--
o~
~
~
~
"4Bll(
~
~
:.
;:
II
LUlIRE"
If::;
-I148lK
8"«)
I
REO
He
,,$
'EO«)
.1&
EL'
fiG
ORN
c
I
WHT
t
, 1 J
11
&
aL
C
r,~
l~'~
Q
rr&j
'i<'1t'
114
BlK
1<\
SR
OIL
PRESSURE
o
HOUR
METER
14
ORN
14
VEl
WATER
TEMP
VOLT
MEoTER
10
RED
10
RED/WHT
10
RE
/WH
Engines & Generators
32'
o
CD
PULL
,...,
II~
HOLD
~
FUEL
SOLENOID
h
Ilf-li
~
LJ
'"
~
~
..
011
eSESSUBE
SENDER
~~
FUEL
PUMP
~
'"
"-
~
..
tl2
RED
PREHEAT
SWITCH
START
SWITCH
STOP
SWITCH
rust
8 A
BATTERY
,..-
CHARGER
OUTPUT
~1
~
1-
GE~ERAIOR
INSTRUMENT
~
'"
~
"',
~
'.
6AT.
CHARG,
FUSE
30A
::oJ

Table of Contents

Related product manuals