EasyManua.ls Logo

Westerbeke 5.0KW BCD - Wiring Schematic #44732

Westerbeke 5.0KW BCD
61 pages
Print Icon
To Next Page IconTo Next Page
To Next Page IconTo Next Page
To Previous Page IconTo Previous Page
To Previous Page IconTo Previous Page
Loading...
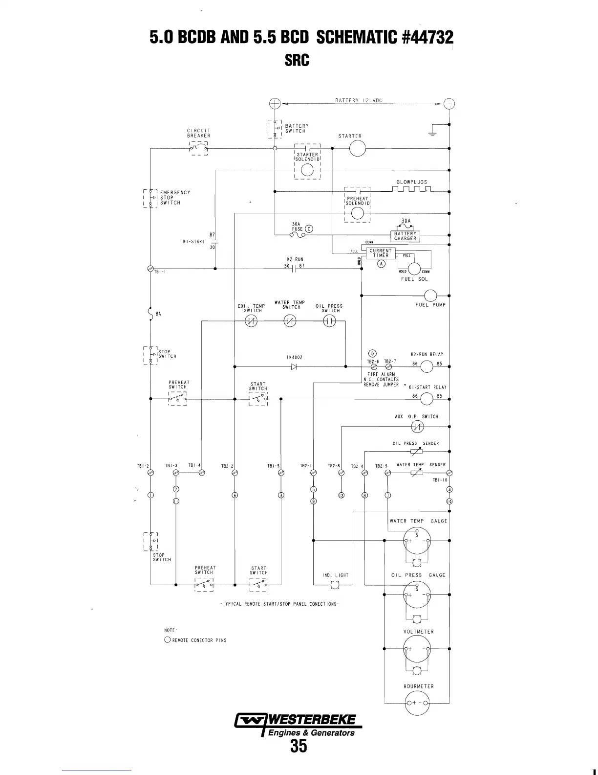
5.0
BCDB
AND
5.5
BCD
SCHEMATIC
#44732
SRC
___
~B~A~TT.ERY
12
VDC
CIRCUIT
BREAKER
STARTER
______
~--~,-----r-~l~~~
or---
I
STARTER
I
ISOlENO
I
DI
I I
GLOWPLUGS
,-
1
EMERGENCY
I
STOP
~---------+~,-~--~
I
PREHEAT
I
I
SOlENO
I
DI
I SWITCH
I I
30A
87
K I
~
START
PULL
CURRENT
T I
MER
K2
RUN
g
(£)
~T~B~I~~I-------~-~-----~3~O
~87~
______
~
WATER
TEMP
8A
EXH.
TEMP
SWITCH
SWITCH
01
L PRESS
SWI
TCH
FUEL
SOL
FUEL
PUMP
,-
\TOP
ISWI
TCH
I
®
K2
~
RUN
RELAY
TBI-2
IN4002
TB1~6
1B2-7
86
85
FIRE
ALARM
N.C.
CONTACTS
REMOVE
JUMPER
K I
~ST
ART
RELAY
PREHEAT START
SWITCH
SWITCH
86
~--~I-~-'q--+-----~~~~~'--~-----r------------------~~
L
__
I
85
1BI-3
STOP
SW
ITCH
T81-4
PREHEAT
SW
I lCH
182-2
START
SWI
TCH
I - -
'ot----+-----l~
~
,
L
__
I
TB2-1
T82-8
T82-4
IND.
LIGHT
~TYPICAL
REMOTE
START/STOP
PANEL
CONECTIONS~
NOT[ .
o
REMOTE
CONECTOR
PINS
Engines & Generators
35
AUX
O.
P
SWITCH
01
L
PRESS
SENDER
162-5
WATER
TEMP
SENDER
TBI-IO
WATER
TEMP
GAUGE
OIL
PRESS GAUGE
VOL
TMETER
HOLI
RMETER
10

Table of Contents

Related product manuals