EasyManua.ls Logo

Wöhner MOTUS - Page 49

Wöhner MOTUS
Print Icon
To Next Page IconTo Next Page
To Next Page IconTo Next Page
To Previous Page IconTo Previous Page
To Previous Page IconTo Previous Page
Loading...
49Revisione 6, data 05.2017
Italiano.
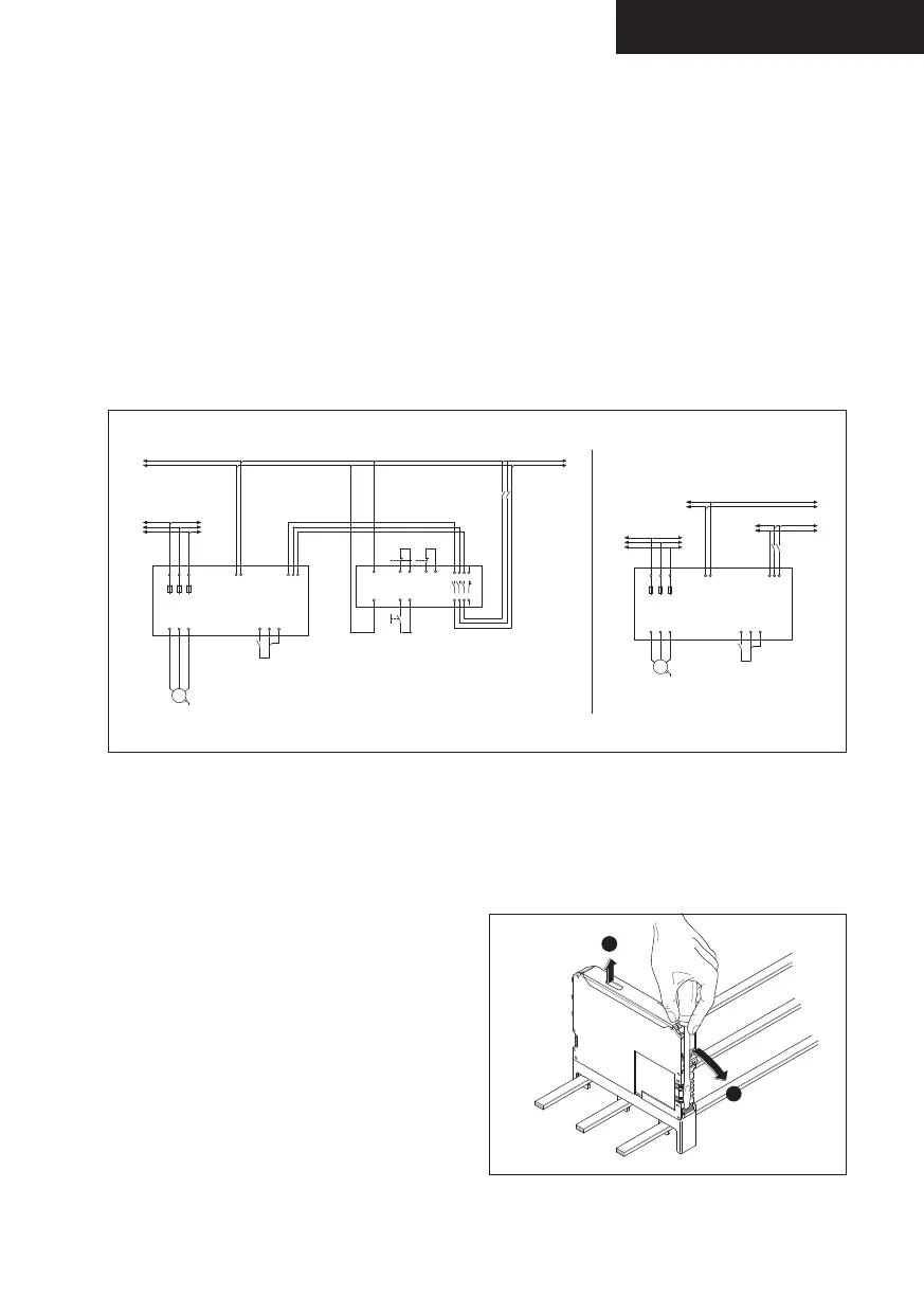
ne o le applicazioni a due mani, utilizzare un circuito
come illustrato nella Fig.4. Il circuito della corrente di co-
mando viene disattivato da un relè di sicurezza, appena
viene azionato l’arresto d’emergenza. Se lo switch-off
viene attivato, ad es., da un “PLC sicuro” con uscite a se-
miconduttore, la tensione residua deve essere < 5 V DC.
Le interruzioni ≤ 3 ms verranno filtrate.
Arresto d’emergenza
L’integrazione di un avviatore ibrido in un sistema di
arresto d’emergenza è illustrato nella Fig. 5.
La alimentazione per E, R e L dei vari MOTUS® passa da
un rele di sicurezza (2 canali).
Se lo switch-off viene attivato, ad es., da un “PLC sicuro”
con uscite a semiconduttore, la tensione residua deve
essere < 5 V DC. Le interruzioni ≤ 3 ms verranno filtrate.
Avvertenza: Il completo spegnimento della tensione di
alimentazione di controllo a motore attivo comporta
sempre l’usura dell’avviatore ibrido! Utilizzare questo
circuito solo se non si prevedono più di 10.000 arresti
nel corso dell’intera durata d’impiego del sistema. Se
lo spegnimento viene attivato, ad es., da un “PLC
sicuro” con uscite a semiconduttore, la tensione
residua deve essere < 5 V DC. Le interruzioni ≤ 1 ms
verranno filtrate.
Protezione termica
Tutte le funzioni rilevanti per la sicurezza vengono re-
alizzate dall’avviatore ibrido senza intervento esterno.
Non sono necessari particolari cablaggi.
Il cablaggio del circuito di corrente di alimentazione do-
vrebbe essere realizzato come descritto negli esempi.
L’alimentazione di corrente al modulo può essere diret-
tamente realizzata sulla fonte di tensione, senza relè di
sicurezza PSR. Lo stesso dicasi per il controllo.
Motore con freno
Se si collega un motore con freno (connessione alla
morsettiera del motore), il freno da 400 V AC deve esse-
re collegato alle connessioni 2 / T1 e 6 / T3. Collegare un
freno da 230 V AC alla connessione 4 / T2 e ed al neutro
del motore.
Avvertenza: Il monitoraggio della corrente del motore
deve essere aumentato del valore del freno (corrente
nominale freno).
Sostituzione fusibili
I fusibili sono dimensionati in modo tale da rendere ne-
cessaria la sostituzione solo in caso di avaria. La man-
canza dell’ alimentazione principale o l’intervento di
un fusibile vengono segnalati come mancanza di fase
(PWR + ERR lampeggiano e L o R acceso).
2
1
1.
U1
PE
3~
M
W1
V1
MOTUS®ContactronControl
L1 L2 L3
T1:2 T2:4 T3:6
MAN RES AUT
RL
MOTUS®ContactronControl
PSR-SCP-24UC/ESA4/3X1/1X2/B
L1 L2
L3
T1:2
T2:4 T3:6
MAN RES
AUT
Us
R
L
U1
PE
3~
M
A1
A2
S11
S12
S21 S22
13 23 33 41
97
96/98
14
24 34
42
Reset
S3
S2
/
/
24 V DC
2.1 /
GND2.1 /
L12.0 / /
L22.0 / /
L32.0 / /
Alimentazione 1 (permanente)
Us
24 V DC
GND
/
/
W1
V1
/
/
Alimentazione 2 (sezionabile)
24 V DC
GND
L1
L2
L3
/
/
/
T
T
T
E
T
E
Fig. 4 Fig. 5

Table of Contents