EasyManua.ls Logo

Wolf Ranges - Page 85

Wolf Ranges
88 pages
Print Icon
To Next Page IconTo Next Page
To Next Page IconTo Next Page
To Previous Page IconTo Previous Page
To Previous Page IconTo Previous Page
Loading...
RRAANNGGEESS && RRAANNGGEETTOOPPSS
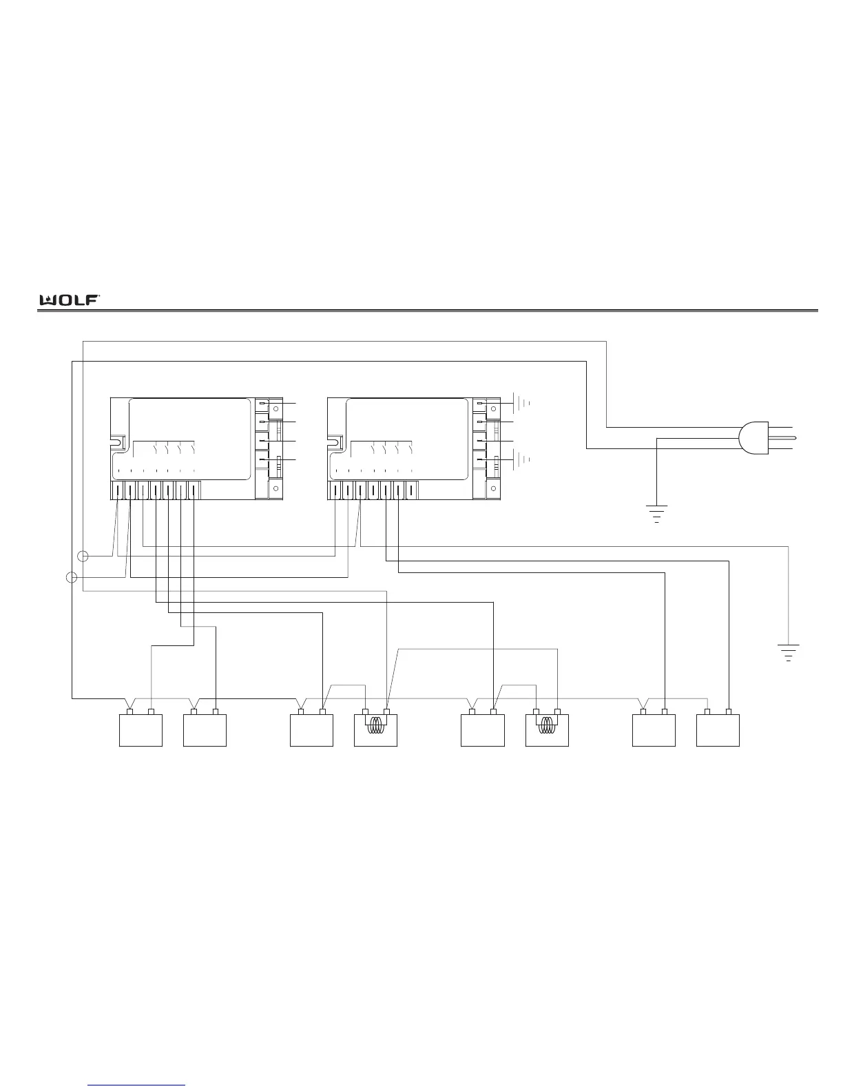
Wiring Diagrams
7-29
FRONTREARTHERMOSTAT SOLENOIDREAR FRONT
BLK (2)
BRN (9)
BLU (10)
BLK (1)
BLK (6)BLK (3) BLK (4)
YEL (14)
BRN W/WHT STRIPES (30)
BLU W/WHT STRIPES (32)
WHT (40)
THERMOSTAT SOLENOID
YEL
ORN
BLK (5)
BURNER BURNER BURNER BURNER
SWITCH SWITCH SWITCH SWITCH
LEFT LEFT RIGHT
RIGHT
WHT
BLK
GRN
PLUG
GROUND
RIGHT SPARK MODULE
RF
RR
LEFT SPARK MODULE
LR
GR
GL
LF
WHT
(38)
BLK (33)
GRN (42)
WHT (39)
WHT (36)
ORN (21)
GRN (41)
(15)
(22)
BLK (34)
REIG1
REIG2
REIG3
REIG4
6
NEUT.
78
LINE
GND
REIG 1
12
REIG 2
REIG 3
REIG 4
109 11
REIG1
REIG2
REIG3
REIG4
6
NEUT.
78
LINE
GND
REIG 1
12
REIG 2
REIG 3
REIG 4
109 11
L1
A
B
L1
A B
RT484DG/RT484DG-LP

Table of Contents

Related product manuals