EasyManua.ls Logo

Yamaha F100C - Page 106

Yamaha F100C
345 pages
Print Icon
To Next Page IconTo Next Page
To Next Page IconTo Next Page
To Previous Page IconTo Previous Page
To Previous Page IconTo Previous Page
Loading...
POWR
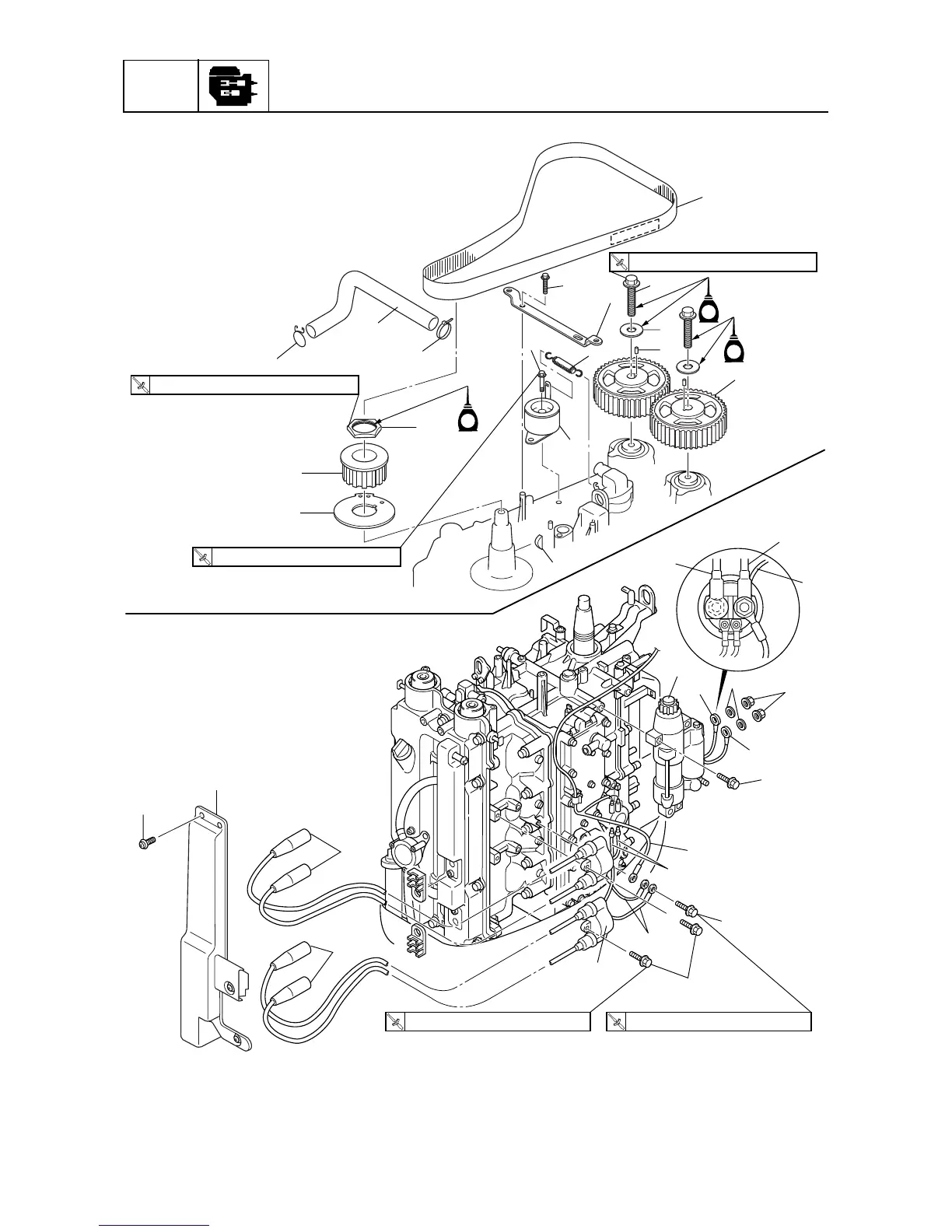
Power unit
5-13
60C5D11
S60C5140
67F-46241-00
19
18
29
28
31
26
27
22
15
20
16
30
23
21
24
25
17
T
R
.
.
265 N
·
m (26.5 kgf
·
m, 192 ft
·
lb)
E
E
E
T
R
.
.
39 N
·
m (3.9 kgf
·
m, 28 ft
·
Ib)
T
R
.
.
60 N
·
m (6.0 kgf
·
m, 43 ft
·
Ib)
8
11
12
12
7
6
1
4
(B)
R
4
5
3
10
9
2
9
13
14
3
(B/W)
T
R
.
.
8 N
·
m (0.8 kgf
·
m, 5.8 ft
·
Ib)
T
R
.
.
8 N
·
m (0.8 kgf
·
m, 5.8 ft
·
Ib)

Table of Contents

Related product manuals