EasyManua.ls Logo

Yamaha F100C - Removing the Steering Arm; Installing the Steering Arm

Yamaha F100C
345 pages
Print Icon
To Next Page IconTo Next Page
To Next Page IconTo Next Page
To Previous Page IconTo Previous Page
To Previous Page IconTo Previous Page
Loading...
BRKT
Bracket unit
7-23
60C5D11
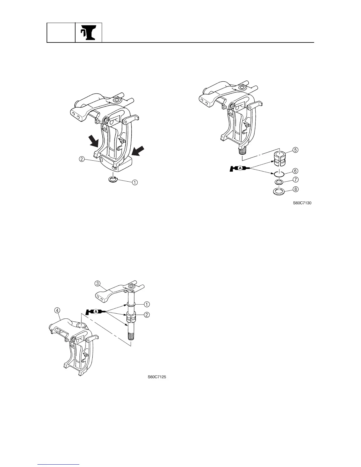
Removing the steering arm
1. Remove the circlip
1
.
2. Remove the steering yoke
2
by striking
it with a plastic hammer.
3. Remove the steering arm from the swivel
bracket by pulling the arm off the bracket.
Installing the steering arm
1. Install the washer
1
and bushing
2
onto
the steering arm
3
.
2. Place the swivel bracket
4
in an upright
position, and then install the steering arm
onto the swivel bracket.
3. Install the bushing
5
, O-ring
6
, bushing
7
, and washer
8
onto the swivel
bracket.
S60C7120

Table of Contents

Related product manuals