EasyManua.ls Logo

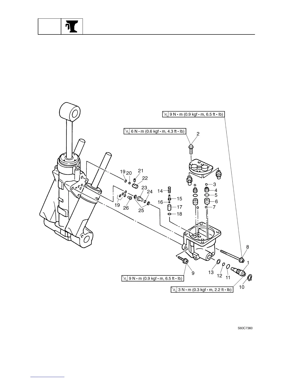
Yamaha F100C - Gear Pump (F100 B)

Yamaha F100C
345 pages
Print Icon
To Next Page IconTo Next Page
To Next Page IconTo Next Page
To Previous Page IconTo Previous Page
To Previous Page IconTo Previous Page
Loading...
BRKT
Bracket unit
7-37
60C5D11
Gear pump (F100B)
7

Table of Contents

Related product manuals