EasyManua.ls Logo

Yamaha F100C - Ignition System and Ignition Control System

Yamaha F100C
345 pages
Print Icon
To Next Page IconTo Next Page
To Next Page IconTo Next Page
To Previous Page IconTo Previous Page
To Previous Page IconTo Previous Page
Loading...
ELEC
Electrical systems
+
8-7
60C5D11
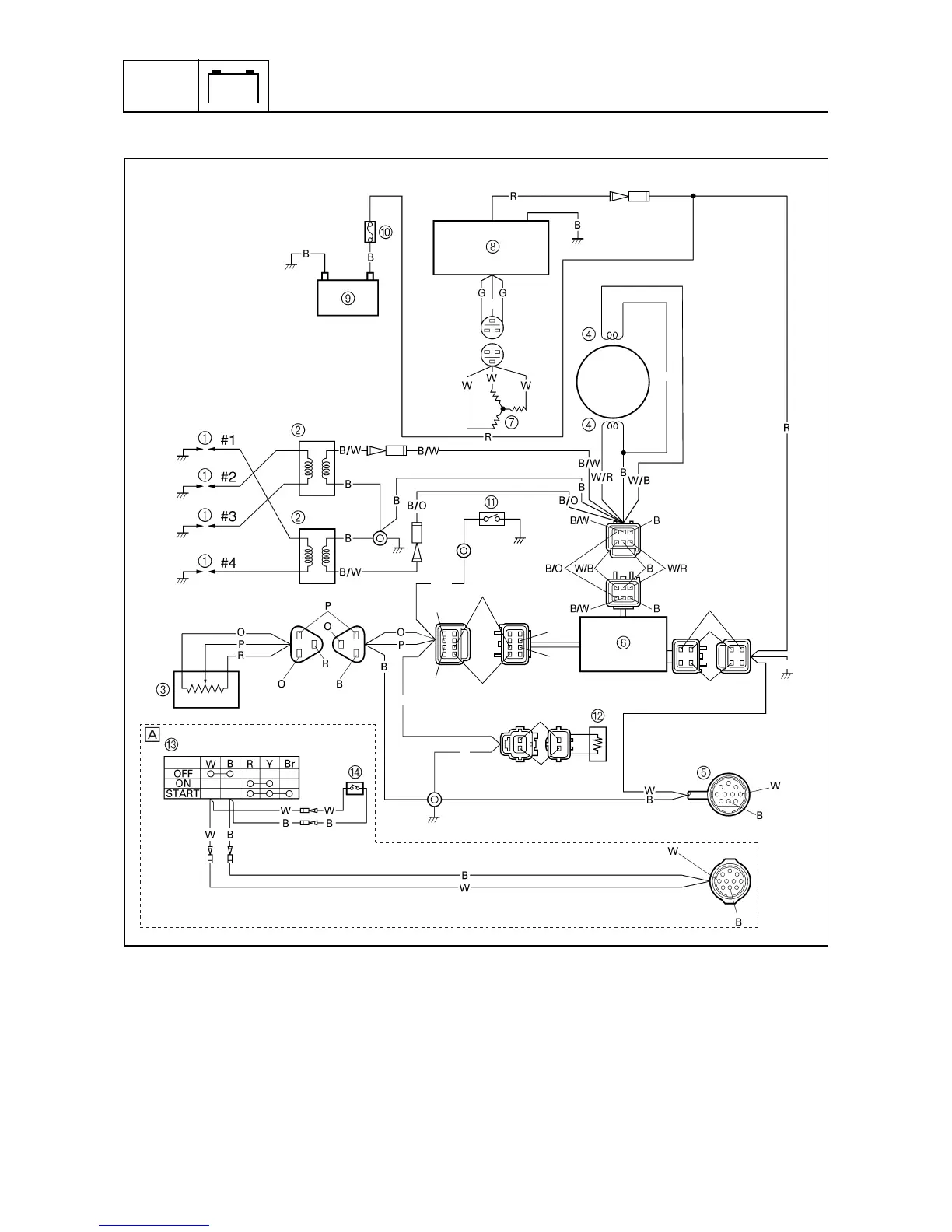
Ignition system and ignition control system
8
1
Spark plugs
2
Ignition coils
3
Throttle position
sensor
4
Pulser coils
5
10-P coupler
6
CDI unit
7
Lighting coil
8
Rectifier Regulator
9
Battery
0
Fuse (30 A)
A
Oil pressure switch
B
Thermo sensor
C
Engine start switch
D
Engine shut-off
switch
È
Tiller handle model
B: Black
Br : Brown
G: Green
O : Orange
P: Pink
R: Red
W: White
Y: Yellow
B/O : Black/orange
B/W : Black/white
B/Y : Black/yellow
G/W : Green/white
P/W : Pink/white
W/B : White/black
W/R : White/red
S60C8060
G/W
B/Y
B
B
B/Y
P/W
P
R
W
B
O
P/W
B/Y
P/W
B/Y
B
B

Table of Contents

Related product manuals