EasyManua.ls Logo

Yamaha F100C - Electrical Components; Starboard and Port Views

Yamaha F100C
345 pages
Print Icon
To Next Page IconTo Next Page
To Next Page IconTo Next Page
To Previous Page IconTo Previous Page
To Previous Page IconTo Previous Page
Loading...
ELEC
Electrical systems
+
8-3
60C5D11
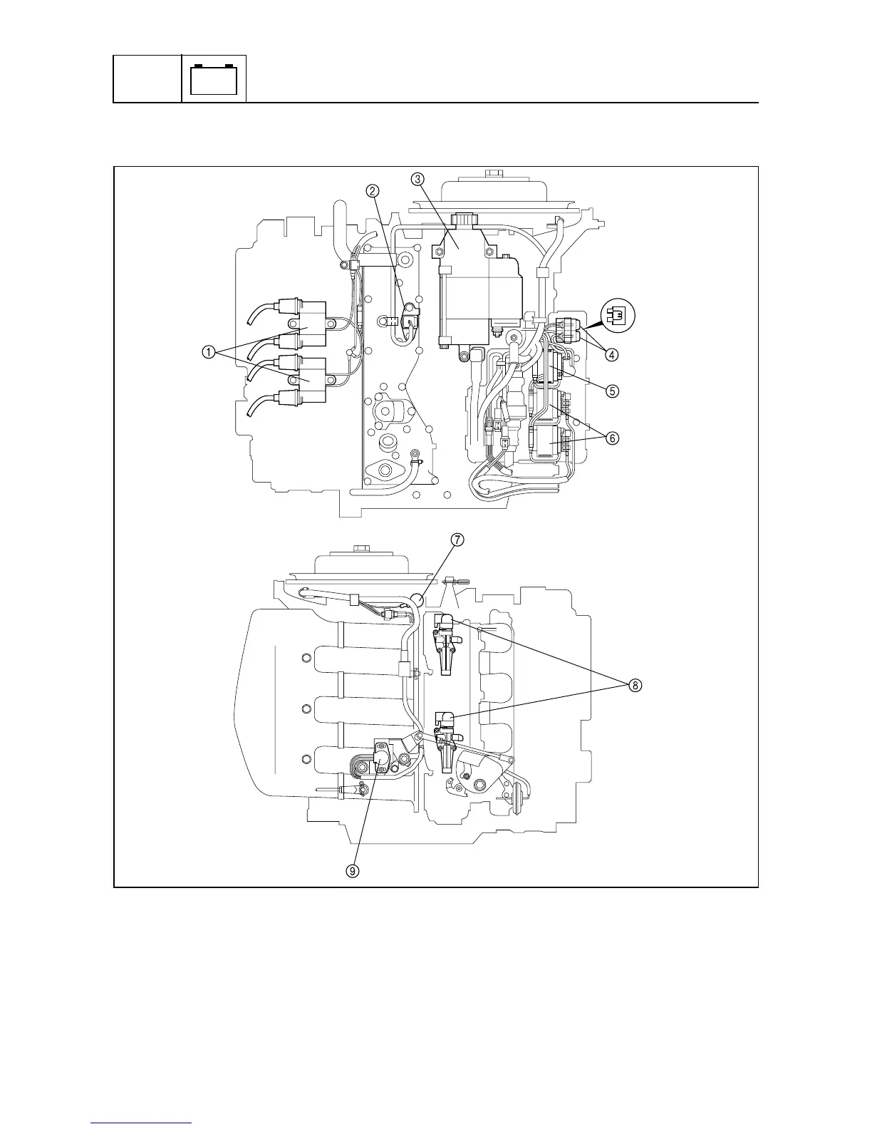
Electrical components
8
Starboard and port views
1
Ignition coils
2
Thermo sensor
3
Starter motor
4
Fuse
5
Starter relay
6
Power trim and tilt relays
7
Oil pressure switch
8
Prime Start
9
Throttle position sensor
S60C8020

Table of Contents

Related product manuals