EasyManua.ls Logo

Yamaha F100C - Ignition System

Yamaha F100C
345 pages
Print Icon
To Next Page IconTo Next Page
To Next Page IconTo Next Page
To Previous Page IconTo Previous Page
To Previous Page IconTo Previous Page
Loading...
GEN
INFO
General information
1-11
60C5D11
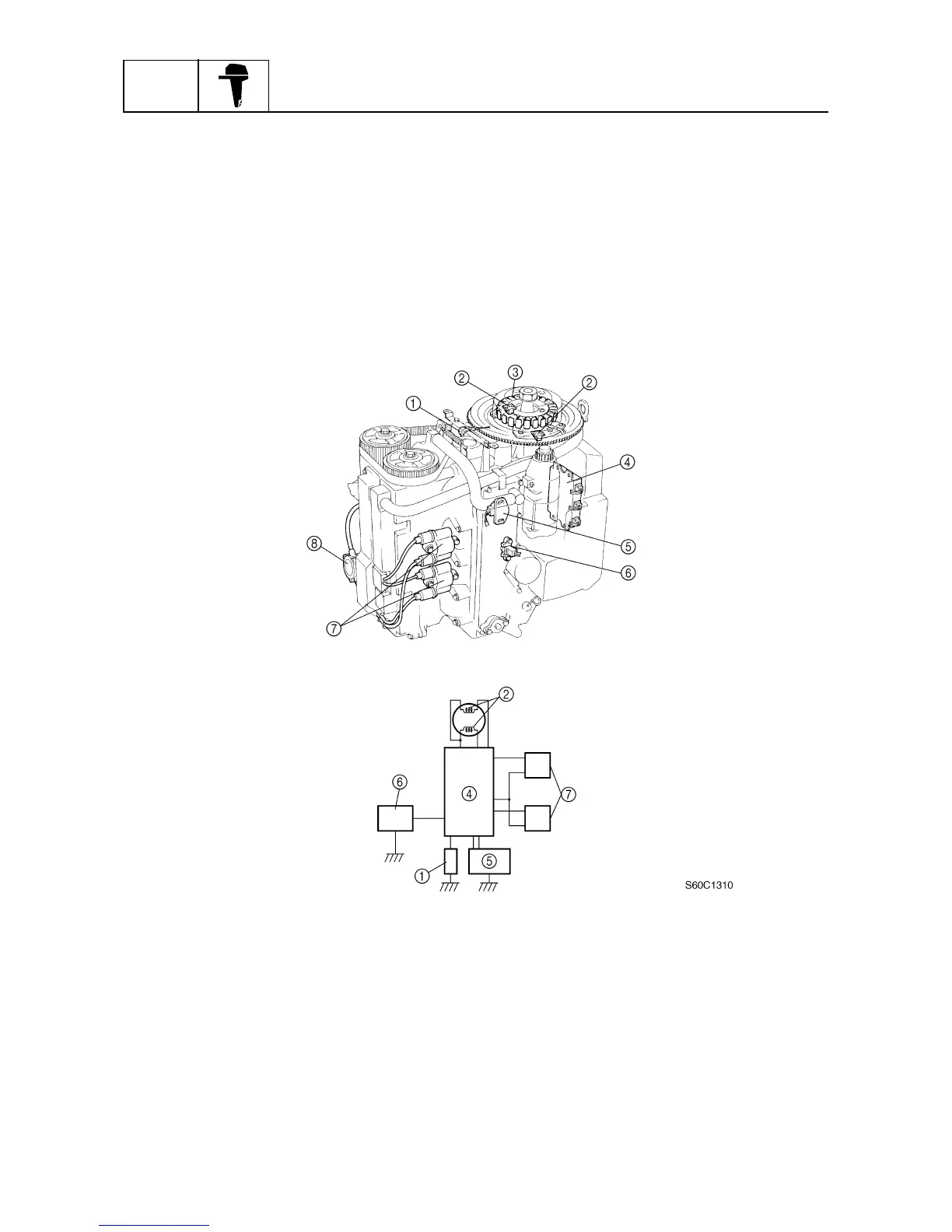
Ignition system
A CDI system has been incorporated. The CDI unit uses three signals (i.e., crankshaft position,
engine revolution, and throttle position) to determine the optimum ignition timing.
Engine speed is controlled by the CDI unit to prevent damage to the engine when the engine tem-
perature sensor detects that the engine temperature (i.e., water temperature) is too high, or when
the oil pressure switch detects that the oil pressure is too low, or when the engine idle speed is too
high.
In addition, when the engine overheats or when there is low oil pressure, the warning lamp flashes
and the buzzer sounds.
If the throttle position sensor and engine temperature sensor malfunction, the engine ignition timing
is set by the CDI unit to prevent damage to the engine.
1
Oil pressure switch
2
Puler coil
3
Lighting coil
4
CDI unit
5
Throttle position sensor
6
Engine temperature sensor
7
Ignition coils
8
Fuel pump

Table of Contents

Related product manuals