EasyManua.ls Logo

Yamaha F100C - Page 116

Yamaha F100C
345 pages
Print Icon
To Next Page IconTo Next Page
To Next Page IconTo Next Page
To Previous Page IconTo Previous Page
To Previous Page IconTo Previous Page
Loading...
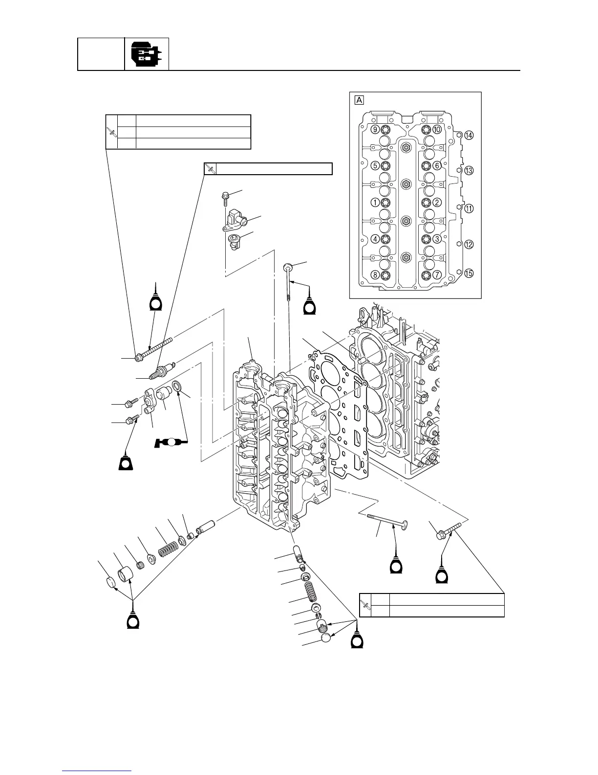
POWR
Power unit
5-23
60C5D11
S60C5330
1
4
7
8
9
5
6
3
13
14
22
20
18
17
19
21
23
24
16
15
12
11
10
2
23
22
21
20
19
18
17
E
E
E
E
E
E
LT
271
AA
T
R
.
.
1st 14 N
m (1.4 kgf
m, 10 ft
lb)
2nd 28 N
m (2.8 kgf
m, 20 ft
lb)
T
R
.
.
1st 15 N
m (1.5 kgf
m, 11 ft
lb)
2nd 30 N
m (3.0 kgf
m, 22 ft
lb)
3nd 90°
T
R
.
.
25 N
m (2.5 kgf
m, 18 ft
Ib)

Table of Contents

Related product manuals