EasyManua.ls Logo

Yamaha MT-09SP 2021 - Page 358

Yamaha MT-09SP 2021
752 pages
Print Icon
To Next Page IconTo Next Page
To Next Page IconTo Next Page
To Previous Page IconTo Previous Page
To Previous Page IconTo Previous Page
Loading...
8-3
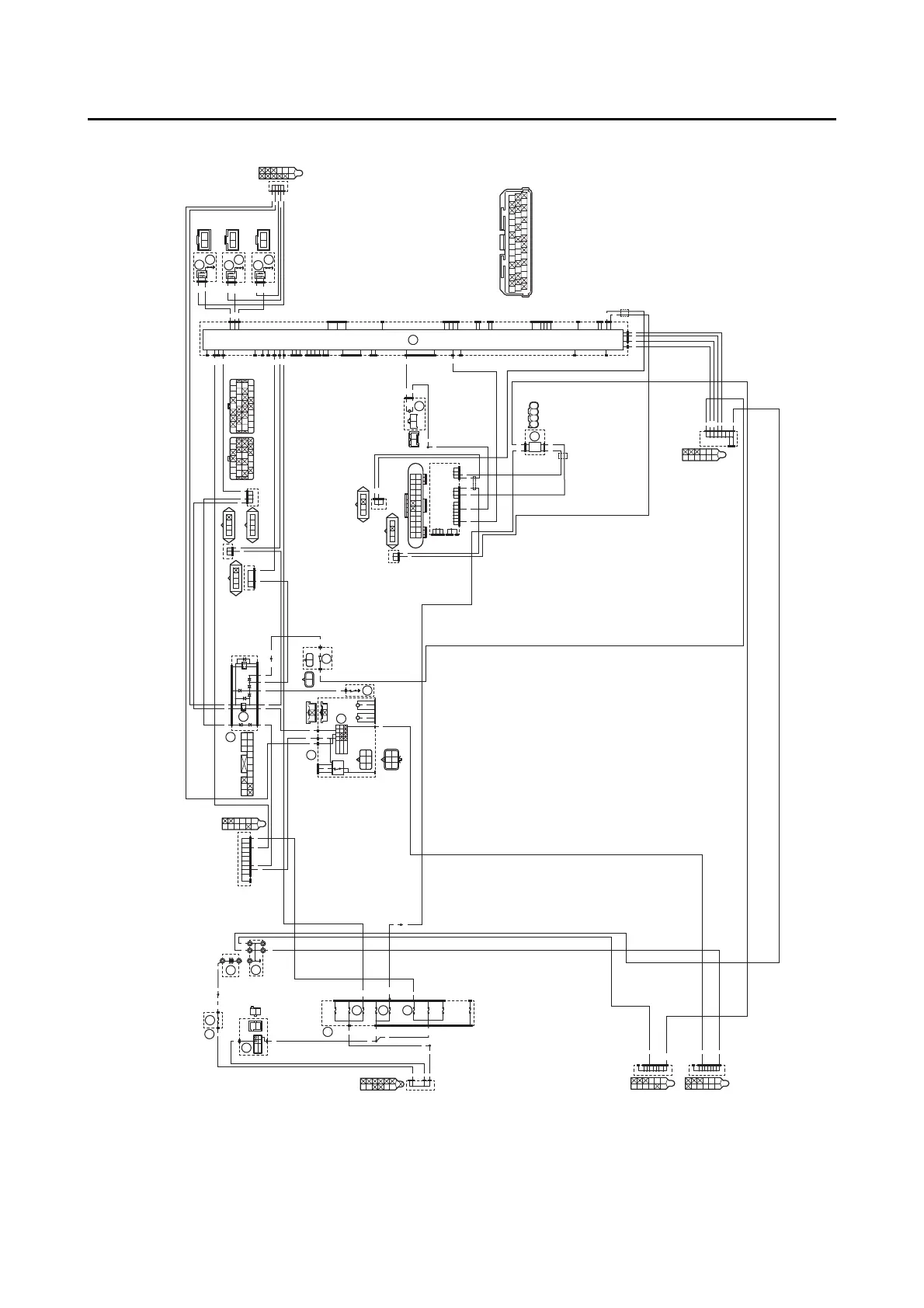
IGNITION SYSTEM
MTN890D
W
L/W
R
L/B
LB
Sb/W
Sb
W
Br
L/W
RR
L/B
B
(B)
(B)
Gy B
(B)
R/WL/BL/WB/W
O
R/W
(B)
Gy/R
R/W
(B)
O/G
R/W
(B)
L/W
WW
L/W
BB
L/B L/B Y/B Y/B
L/R L/R L/RL/RB/L
B
B/L
BBBBB
W/B W/G B/W
R/W
BW
R/W L/W
O
Gy/RO/GP/BY/R
B
R/BG/BL/BLg/R
B
G/YR/L
B/WB/WR/LL/WY/BY/RR/G
(B)
R/WBr/Y
LG
W/R
Y/R
W
Y
Br
B/L
Y/B
B
W/B
(B)
Gy
LLVP
P/WLg/LO/WY/LL/B
B/LB/LBr/WGy/GG/LBr/LB/YL/W
W/YW/GG/WG/WLg/BL/WL/Y
(B)
R/W
R
R/W
R/W
R
R
R/W
R
R
R/W
R
Br/L
R
R
R
R
B
B
B
B
B
B
B
B/W
B
B
B
B
B
B/W
B
B
B
B
R
R/WR/W
R/W
R/W
B
B
B/W
B/W
B/W
B
B
B
B
B
L/B L/BY/B
L/W L/WW
L/Y
L
L/Y
B/Y
B
B/Y
W
L/W
W
L/W
Gy
B
BGy
46
64
51
50
52
51
53
51
49
5
ON
OFF
R
Br/L
23
24
35
36
START
OFF
RUN
R/L
R/L
L/W
W/BW/GB/W
R/W
BR
31
33
38
BB
(B)
39
4
3
3
11
12
9
B/L
B/L
L/W
L/B
B
Y/B
W
L/B
Y/B
L/W
W
W
W L/W
B/Y
B
L/Y
L
L/B
Sb
L/W
R
L/B
L/BL/B
B
L
RWW
L/WR/W
R/W
B
B
Sb
B
RRR
R
R
BB
B
RR
R/W
R/W
Br/L
R
R
R/W
R/W
R/W
Br/L
R
Br/L
Br/L
Br/L
B
B
B/W
B
L/W L/B
B/WR/W
L/B
L/W
O
O
Gy/R
Gy/R
O/G
O/G
R/W
R/W
R/W
L/Y
R/W
L/W
B/Y
Gy
Gy
B
B
B
R
B
B
R/W
R/W
R/W
R/W
R
B
Y/G W/G
R
BB
B/WB/W
B
B
B/W
B/W
R/G
R/G
R
R
R
R

Table of Contents