EasyManua.ls Logo

Yamaha QL5 - Page 352

Yamaha QL5
367 pages
Print Icon
To Next Page IconTo Next Page
To Next Page IconTo Next Page
To Previous Page IconTo Previous Page
To Previous Page IconTo Previous Page
Loading...
HG F E D C B A
1
2
3
4
5
6
54
QL5/QL1
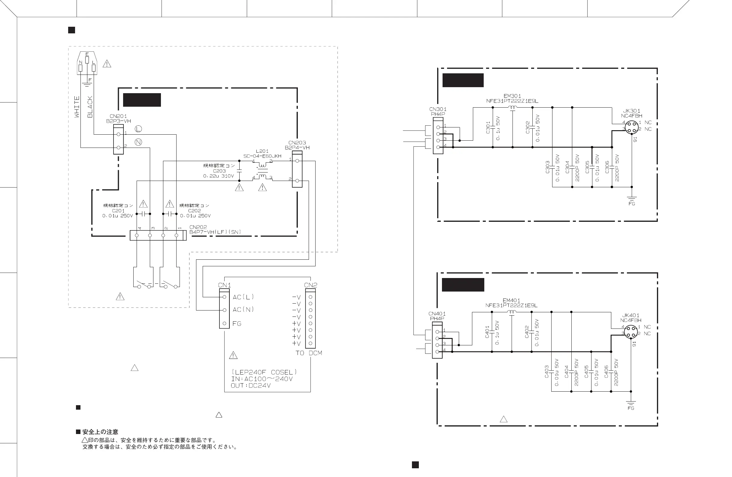
ACSW, LAMP1 (QL5/QL1), LAMP2 (QL5) CIRCUIT DIAGRAM
ACSW, LAMP1 (QL5/QL1), LAMP2 (QL5) CIRCUIT DIAGRAM
28CC1-2001128921
1
28CC1-2001128920
1 1 1
28CC1-2001128922
1 1 1
POWER SUPPLY UNIT
POWER SWITCH
AC INLET
$&6:
WARNING
Components having special characteristics are marked
!
and must be replaced
with parts having specification equal to those originally installed.
!
/$03
LAMP
/$03
(QL5 Only)
LAMP
to DCM-CN001
(Page 24: O-2)
to DCM-CN251
(Page 24: I-11)
N.C.
N.C. (QL1)

Table of Contents

Other manuals for Yamaha QL5

Related product manuals