EasyManua.ls Logo

Yamaha QL5 - Touch Panel Control, Led Backlight Drive, Lcd Power Supply 001

Yamaha QL5
367 pages
Print Icon
To Next Page IconTo Next Page
To Next Page IconTo Next Page
To Previous Page IconTo Previous Page
To Previous Page IconTo Previous Page
Loading...
QPONMLKJ I HGFEDCB A
1
2
3
4
5
6
7
8
9
10
11
12
59
QL5/QL1
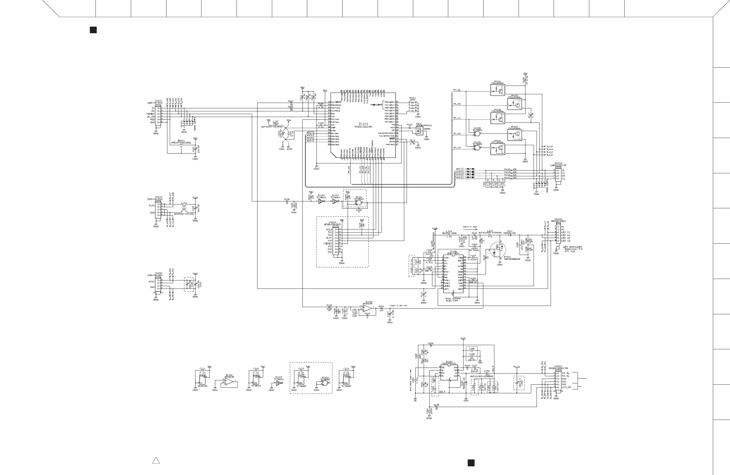
LCDCOM (LCDC) 001 CIRCUIT DIAGRAM (QL5/QL1)
LCDCOM (LCDC) 001 CIRCUIT DIAGRAM (QL5/QL1)
28CC1-2001087669-1
2
TOUCH PANEL CONTROL, LED BACKLIGHT DRIVE, LCD POWER SUPPLY
XX
: Not installed
(未実装)
to DSP32-CN102 (QL5)
to DSP16-CN102 (QL1)
(Page 28: L-10)
to DCM-CN101
(Pin 59)
(Page 24: J-5)
to DCM-CN101
(Pin 14)
(Page 24: J-5)
to LCD UNIT-FPC1
to LCD UNIT-CN2
to LCD UNIT-CN1
(Pin 1 4)
to CPUQL-CN402
(Pin 2 3)
(Page 20: D-5)
CPU (LCDC)
AND
INVERTER
DUAL OPERATIONAL AMPLIFIER
LED DRIVER
DC-DC
CONVERTER
XX
XX
XX
XX
XX
XX
XX
XX

Table of Contents

Other manuals for Yamaha QL5

Related product manuals