EasyManua.ls Logo

Yamaha RX21 - Page 57

Yamaha RX21
59 pages
Print Icon
To Next Page IconTo Next Page
To Next Page IconTo Next Page
To Previous Page IconTo Previous Page
To Previous Page IconTo Previous Page
Loading...
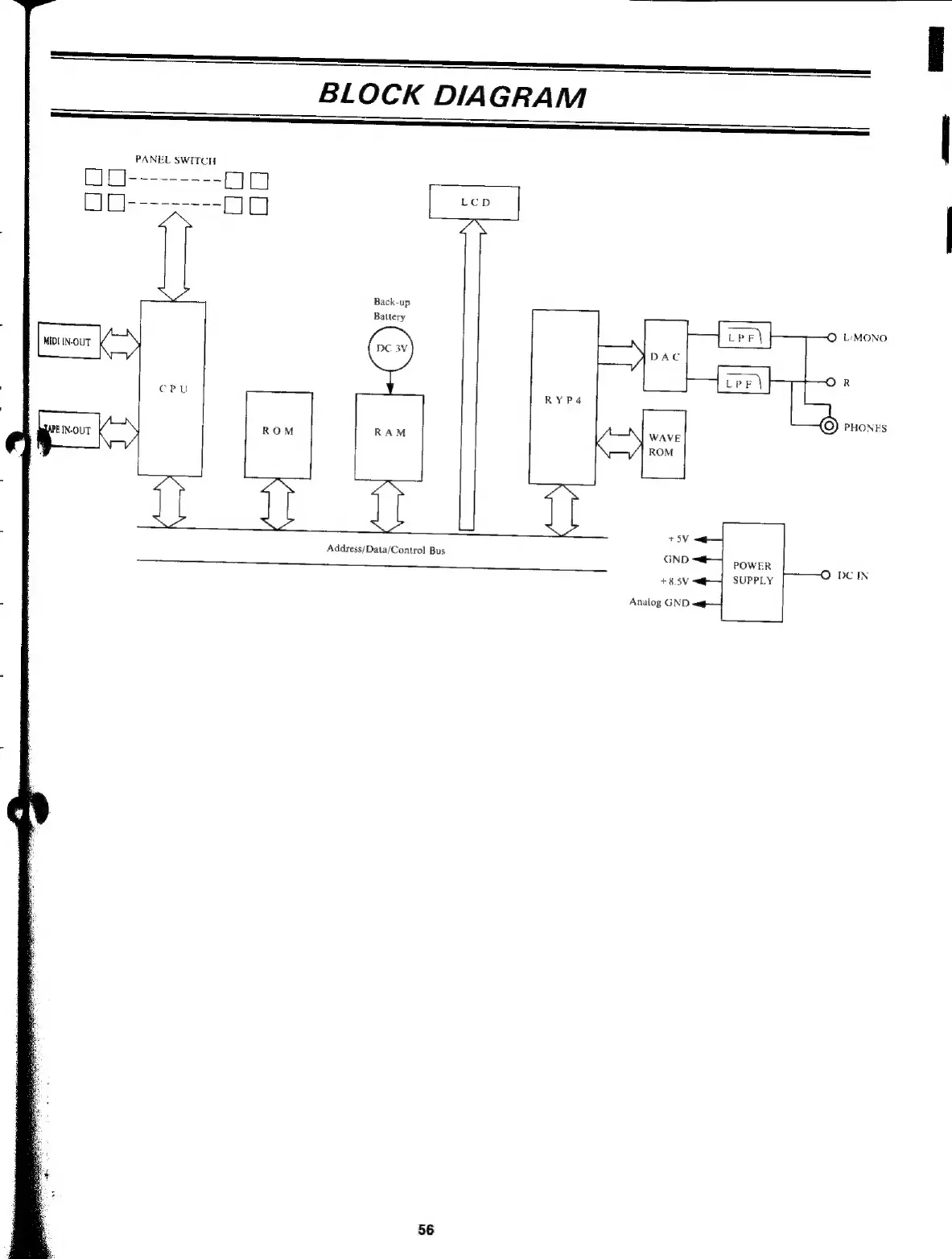
BLOCK
DIAGRAM
PANEL
SWITCH
Back-up
Battery
J
|
О
L.MONO
MIDI
IN-OUT
<
(к)
CPU
RYP4
PHONES
ТУ
Address/Data/Control
Bus
GND
POWER
SUPPLY
О
DC
IN
+8.5V
Analog
GND
56

Related product manuals