EasyManua.ls Logo

YASKAWA PROFINET V1000 - PROFIdrive State Machine Diagram

YASKAWA PROFINET V1000
62 pages
Print Icon
To Next Page IconTo Next Page
To Next Page IconTo Next Page
To Previous Page IconTo Previous Page
To Previous Page IconTo Previous Page
Loading...
7 PROFINET Messaging
YASKAWA ELECTRIC SIEP C730600 70B V1000 Option SI-EP3/V Technical Manual 33
Figure 33
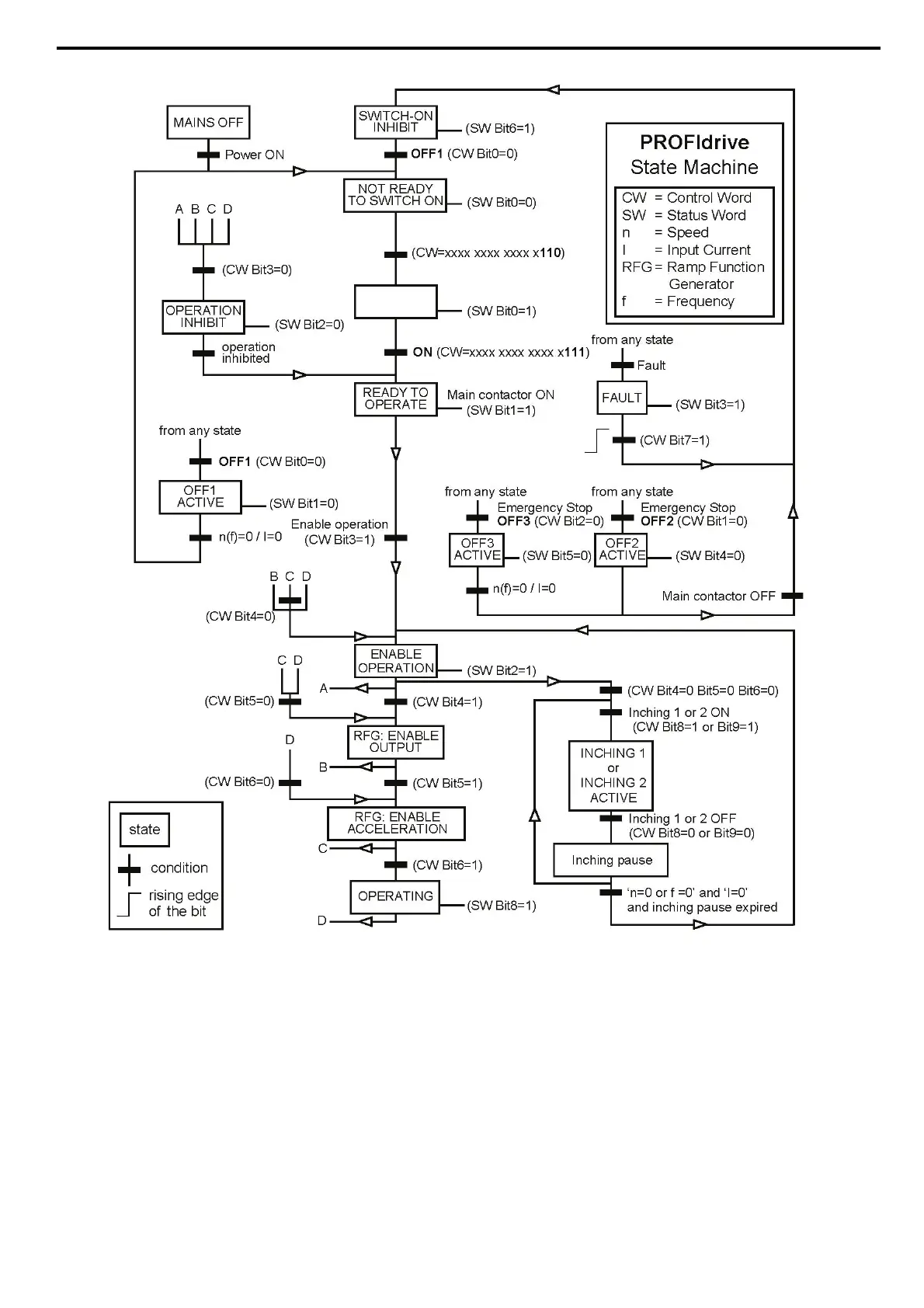
Figure 34 PROFIdrive State Machine
READY TO
SWITCH ON
PROFINET_E_conditional.fm 33 ペー 2016年6月20日 月曜日 午後8時2分

Related product manuals