EasyManua.ls Logo

YASKAWA V1000

YASKAWA V1000
57 pages
To Next Page IconTo Next Page
To Next Page IconTo Next Page
To Previous Page IconTo Previous Page
To Previous Page IconTo Previous Page
Loading...
12 European Standards
54 YASKAWA ELECTRIC TOBP C730600 60C V1000 Option SI-EN3/V Installation Manual
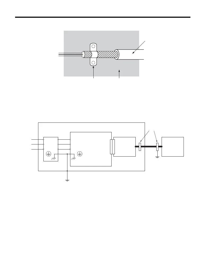
Figure 24
Figure 25 Ground Area
n EMC Filter and Option Installation for CE Compliance
Figure 25
Figure 26 EMC Filter and Option Installation for CE Compliance
A Braided shield cable C Cable clamp (conductive)
B–Metal panel
CB
A
L1
L2
L3
L1
L2
L3
R
S
T
Drive
EMC filter
SI-/V
Communication
option
Upper controller
Enclosure panel
Three
phase
power
supply
Cable clamp
V1000

Other manuals for YASKAWA V1000

Related product manuals