EasyManua.ls Logo

YOKOGAWA PH202G - Control Drawing of PH202 S FF;PB Specification

YOKOGAWA PH202G
138 pages
To Next Page IconTo Next Page
To Next Page IconTo Next Page
To Previous Page IconTo Previous Page
To Previous Page IconTo Previous Page
Loading...
IM 12B07D02-01E
2-16 Specification
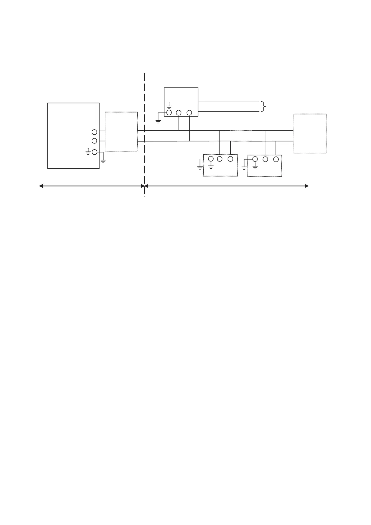
2-12. Control Drawing of PH202S FF/PB Specification (FM Intrinsically safe FISCO)
-
+
PH202S-F
or PH202S-P
Transmitter
-
+
Transmitter
Unclassified Location
Classified Location
Division 1
FM Approved
FISCO barrier
Voc (Vt) d17,5 V
Ioc (It) d380 mA
Poc (Pt) d5,32 W
Sensor
Connections
Max. cablelength: 60 mtr.
Cable dia. : 3…12 mm.
FM Class I, DIV. 1, Group ABCD
T4 for ambient temp. d 55 qC
Sensor
Connections
-
+
-
+
FM Approved
Terminator
R = 90..100
C = 0..2,2 F
FM Approved
Terminator
R = 90..100
C = 0..2,2 F
x Sensor(s) are of a passive type to be regarded as 'simple apparatus', devices which
neither store nor generate voltages over 1.5 V, currents over 0.1 A, power over 25 mW or
energy over 20 J, or are FM Approvals entity approved and meet connection
requirements.
x Electrical data of the PH202S-F & PH202S-P:
- Supply circuit: Ui = 17.5 V; Ii = 380 mA; Pi = 5.32 W; Ci = 220 pF; Li = 0 H.
- Sensor input circuit: Vt = 14.4 V; It = 32.3 mA; Ca =600 nF; La = 34 mH
x Any FM Approved FISCO barrier may be used that meets the following requirements:
Voc or Vt d 17.5 V; Ioc or It d 380 mA; Poc or Pt d 5.32 W
When installing this equipment, follow the manufacturer’s installation drawing.
Installation should be in accordance with ANSI/ISA RP 12.06.01 “Installation of
Intrinsically Safe Systems for Hazardous (Classified) Locations” and the National
Electrical Code (ANSI/NFPA 70).
Associated apparatus connected to the FISCO barrier must not use or generate more
than 250 Vrms or Vdc.
x Resistance between FISCO Intrinsically Safe Ground and earth ground must be less than
1.0 Ohm.
x In case of using cable glands in Outdoor location, they shall be UV rated or made of metal.
x The FISCO concept allows the interconnection of several I.S. apparatus not specifically
examined in such combination. The criterion for such interconnection is that the voltage
(Vmax), the current (Imax) and the power (Pi) which I.S. apparatus can receive and remain
intrinsically safe, considering faults, must be equal to or greater that the voltage (Voc, Vt),
the current (Ioc, It) and the power (Poc, Pt) which can be providede by the FM approved
FISCO barrier. In addition, the maximum unprotected residual capacitance (Ci) and
inductance (Li) of each apparatus (other than the terminator) connected to the Fieldbus
must be less than or equal to 5 nF and 10 H respectively.

Table of Contents

Related product manuals