EasyManua.ls Logo

Zapi EPS-BLI HYG - 4 Block Diagram; Position Control

Zapi EPS-BLI HYG
75 pages
Print Icon
To Next Page IconTo Next Page
To Next Page IconTo Next Page
To Previous Page IconTo Previous Page
To Previous Page IconTo Previous Page
Loading...
Page – 10/75 AFMNA0AA – EPS-BLI HYG – User Manual
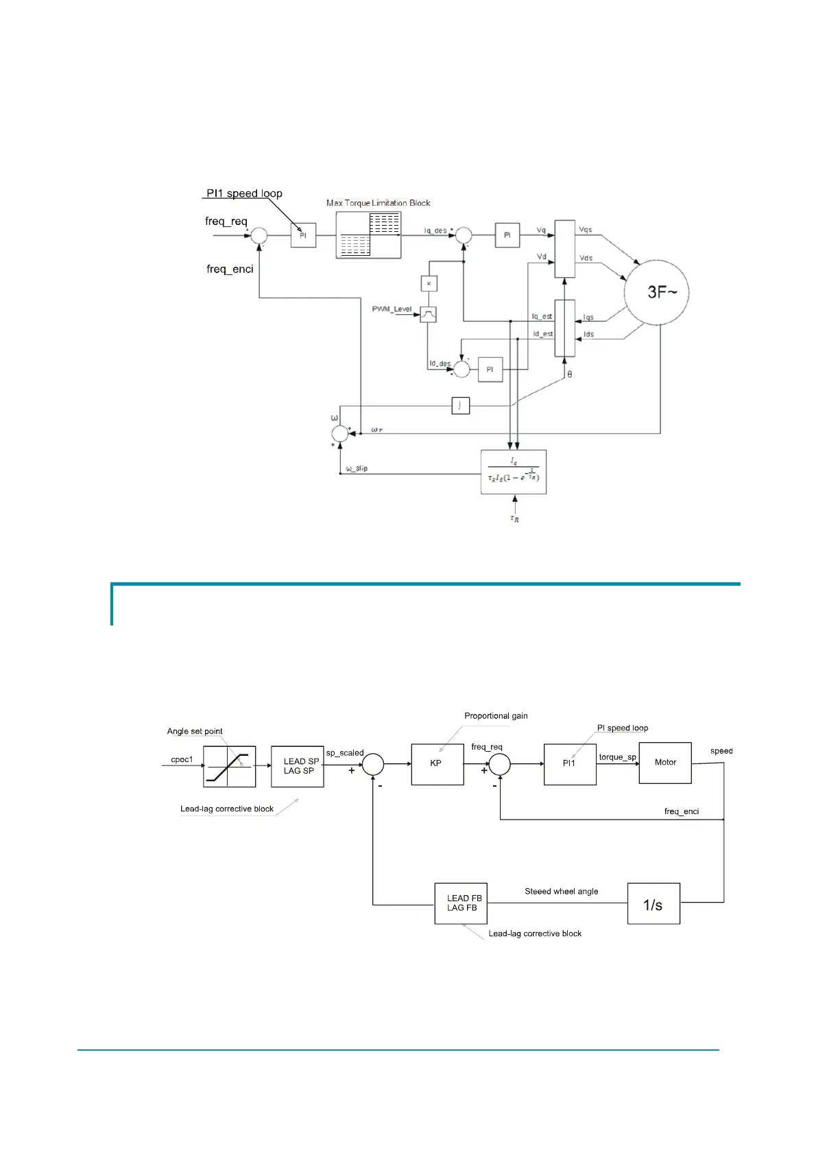
4 BLOCK DIAGRAM
A block diagram of the motor control implemented in the E-steering motor controller is
depicted below. It is an indirect field-oriented control for brushless AC motors.
Figure 4-1. Motor control.
4.1 Position control
In general, several steering modes are possible, the main being steer-by-wire and
steering assist. This manual deals with the steer-by-wire mode which implements a
position-control loop. In a position-control loop the angle of the steered wheel is one-to-
one matched with that of the steering handle.
Figure 4.1-1. Closed loop mode.

Table of Contents

Related product manuals