EasyManua.ls Logo

Zapi EPS-BLI HYG - 6 Connection Drawing

Zapi EPS-BLI HYG
75 pages
Print Icon
To Next Page IconTo Next Page
To Next Page IconTo Next Page
To Previous Page IconTo Previous Page
To Previous Page IconTo Previous Page
Loading...
AFMNA0AA – EPS-BLI HYG – User Manual Page – 17/75
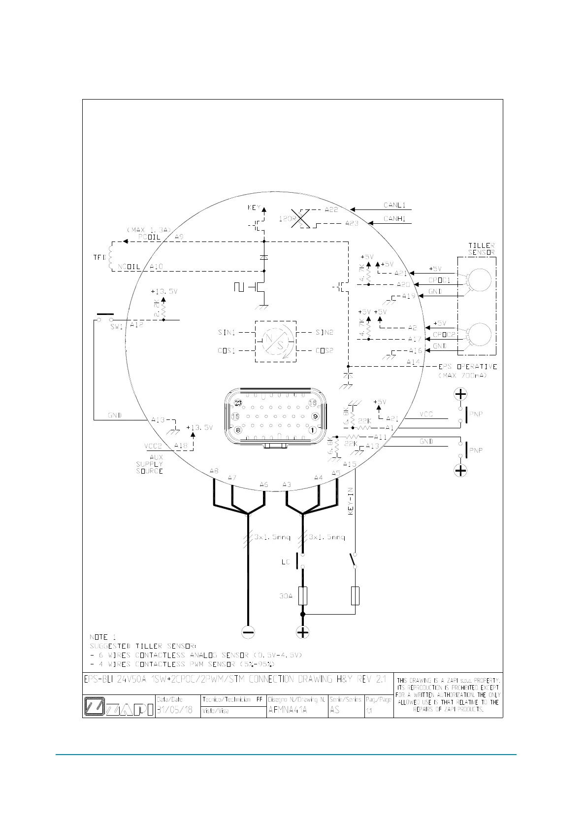
6 CONNECTION DRAWING
Figure 10-1.

Table of Contents

Related product manuals